ตลับลูกปืนลูกปืนขนาดเล็กของ Metric Series เป็นประเภทของแบริ่งที่ใช้กันอย่างแพร่หลายในเครื่องจักรที่มีความแม่นยำโดยเฉพาะอย่างยิ่งเหมาะสำหรับอุปกรณ์ที่มีพื้นที่ จำกัด และความต้องการประสิทธิภาพสูง โดยทั่วไปแล้วตลับลูกปืนดังกล่าวผลิตจากวัสดุคุณภาพสูงเพื่อให้แน่ใจว่ามีความทนทานและเสถียรภาพ การออกแบบหน้าแปลนให้การสนับสนุนเพิ่มเติมอำนวยความสะดวกในการติดตั้งและยังสามารถลดการกระจัดของแบริ่งได้อย่างมีประสิทธิภาพในระหว่างการทำงาน คุณสมบัติที่สำคัญของแบริ่งลูกบอลขนาดเล็กนี้รวมถึงค่าสัมประสิทธิ์แรงเสียดทานต่ำความสามารถในการหมุนความเร็วสูงและความสามารถในการรับน้ำหนักที่ยอดเยี่ยม เหมาะสำหรับแอพพลิเคชั่นที่หลากหลายเช่นเครื่องมือไฟฟ้าหุ่นยนต์เครื่องพิมพ์และมอเตอร์ขนาดเล็ก ในแง่ของการออกแบบตลับลูกปืนลูกปืนขนาดเล็กของ Metric Series ยังให้ความสนใจกับรายละเอียดและมักจะมีอยู่ในขนาดและการกำหนดค่าที่แตกต่างกันเพื่อตอบสนองความต้องการของอุปกรณ์ที่แตกต่างกัน ตลับลูกปืนมักจะหล่อลื่นหรือปิดผนึกล่วงหน้า
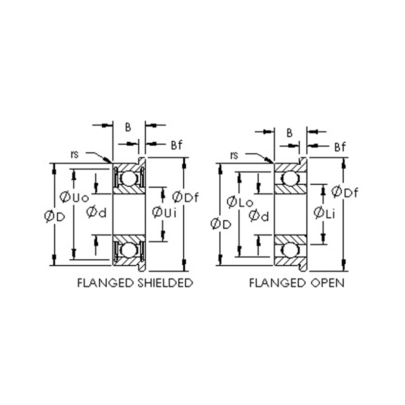
พารามิเตอร์ผลิตภัณฑ์
| หมายเลขผลิตภัณฑ์ | ประเภทแบริ่ง | ขนาด (มม.) | คะแนนโหลดพื้นฐาน (n) | |||||
| d | d | ข | DF | BF | คะแนนโหลดแบบไดนามิก (CR) | คะแนนโหลดคงที่ (COR) | ||
| F691 | แบริ่งลูกบอลหน้าแปลน | 1 | 4 | 1.6 | 5 | 0.5 | 120 | 30 |
| MF41X | แบริ่งลูกบอลหน้าแปลน | 1.2 | 4 | 1.8 | 4.8 | 0.4 | 95 | 26 |
| f681x | แบริ่งลูกบอลหน้าแปลน | 1.5 | 4 | 1.2 | 5 | 0.4 | 95 | 26 |
| f681xzz | ตลับลูกปืนลูกบอลหน้าแปลน | 1.5 | 4 | 2 | 5 | 0.6 | 95 | 26 |
| f691x | แบริ่งลูกบอลหน้าแปลน | 1.5 | 5 | 2 | 6.5 | 0.6 | 144 | 40 |
| f691xzz | ตลับลูกปืนลูกบอลหน้าแปลน | 1.5 | 5 | 2.6 | 6.5 | 0.8 | 144 | 40 |
| f601x | แบริ่งลูกบอลหน้าแปลน | 1.5 | 6 | 2.5 | 7.5 | 0.6 | 281 | 79 |
| f601xzz | ตลับลูกปืนลูกบอลหน้าแปลน | 1.5 | 6 | 3 | 7.5 | 0.8 | 281 | 79 |
| f682 | แบริ่งลูกบอลหน้าแปลน | 2 | 5 | 1.5 | 6.1 | 0.5 | 144 | 40 |
| F682 2RS | ตลับลูกปืนลูกบอลหน้าแปลน | 2 | 5 | 1.5 | 6.1 | 0.5 | 144 | 40 |
| f682zz | ตลับลูกปืนลูกบอลหน้าแปลน | 2 | 5 | 2.3 | 6.1 | 0.6 | 144 | 40 |
| MF52 | แบริ่งลูกบอลหน้าแปลน | 2 | 5 | 2 | 6.2 | 0.6 | 144 | 40 |
| MF52 2RS | ตลับลูกปืนลูกบอลหน้าแปลน | 2 | 5 | 2 | 6.2 | 0.6 | 144 | 40 |
| mf52zz | ตลับลูกปืนลูกบอลหน้าแปลน | 2 | 5 | 2.5 | 6.2 | 0.6 | 144 | 40 |
| f692 | แบริ่งลูกบอลหน้าแปลน | 2 | 6 | 2.3 | 7.5 | 0.6 | 281 | 79 |
| F692 2RS | ตลับลูกปืนลูกบอลหน้าแปลน | 2 | 6 | 3 | 7.5 | 0.8 | 281 | 79 |
| f692zz | ตลับลูกปืนลูกบอลหน้าแปลน | 2 | 6 | 3 | 7.5 | 0.8 | 281 | 79 |
| MF62 | แบริ่งลูกบอลหน้าแปลน | 2 | 6 | 2.5 | 7.2 | 0.6 | 281 | 79 |
| MF62 2RS | ตลับลูกปืนลูกบอลหน้าแปลน | 2 | 6 | 2.5 | 7.2 | 0.6 | 281 | 79 |
| mf62zz | ตลับลูกปืนลูกบอลหน้าแปลน | 2 | 6 | 2.5 | 7.2 | 0.6 | 281 | 79 |
| MF72 | แบริ่งลูกบอลหน้าแปลน | 2 | 7 | 2.5 | 8.2 | 0.6 | 328 | 103 |
| MF72 2RS | ตลับลูกปืนลูกบอลหน้าแปลน | 2 | 7 | 3 | 8.2 | 0.6 | 328 | 103 |
| mf72zz | ตลับลูกปืนลูกบอลหน้าแปลน | 2 | 7 | 3 | 8.2 | 0.6 | 328 | 103 |
| f602 | แบริ่งลูกบอลหน้าแปลน | 2 | 7 | 2.8 | 8.5 | 0.7 | 328 | 103 |
| F602 2RS | ตลับลูกปืนลูกบอลหน้าแปลน | 2 | 7 | 2.8 | 8.5 | 0.7 | 328 | 103 |
| f602zz | ตลับลูกปืนลูกบอลหน้าแปลน | 2 | 7 | 3.5 | 8.5 | 0.9 | 328 | 103 |
| f682x | แบริ่งลูกบอลหน้าแปลน | 2.5 | 6 | 1.8 | 7.1 | 0.5 | 178 | 59 |
| F682X 2RS | ตลับลูกปืนลูกบอลหน้าแปลน | 2.5 | 6 | 1.8 | 7.1 | 0.5 | 178 | 59 |
| f682xzz | ตลับลูกปืนลูกบอลหน้าแปลน | 2.5 | 6 | 2.6 | 7.1 | 0.8 | 178 | 59 |
| f692x | แบริ่งลูกบอลหน้าแปลน | 2.5 | 7 | 2.5 | 8.5 | 0.7 | 328 | 103 |
| F692X 2RS | ตลับลูกปืนลูกบอลหน้าแปลน | 2.5 | 7 | 3.5 | 8.5 | 0.9 | 328 | 103 |
| f692xzz | ตลับลูกปืนลูกบอลหน้าแปลน | 2.5 | 7 | 3.5 | 8.5 | 0.9 | 328 | 103 |
| MF82X | แบริ่งลูกบอลหน้าแปลน | 2.5 | 8 | 2.5 | 9.2 | 0.6 | 180 | 67 |
| MF82X 2RS | ตลับลูกปืนลูกบอลหน้าแปลน | 2.5 | 8 | 2.5 | 9.2 | 0.6 | 180 | 67 |
| mf82xzz | ตลับลูกปืนลูกบอลหน้าแปลน | 2.5 | 8 | 2.5 | 9.2 | 0.6 | 180 | 67 |
| f602x | แบริ่งลูกบอลหน้าแปลน | 2.5 | 8 | 2.8 | 9.5 | 0.7 | 469 | 142 |
| F602X 2RS | ตลับลูกปืนลูกบอลหน้าแปลน | 2.5 | 8 | 4 | 9.5 | 0.9 | 469 | 142 |
| f602xzz | ตลับลูกปืนลูกบอลหน้าแปลน | 2.5 | 8 | 4 | 9.5 | 0.9 | 469 | 142 |
| MF63 | แบริ่งลูกบอลหน้าแปลน | 3 | 6 | 2 | 7.2 | 0.6 | 178 | 59 |
| MF63 2RS | ตลับลูกปืนลูกบอลหน้าแปลน | 3 | 6 | 2 | 7.2 | 0.6 | 178 | 59 |
| mf63zz | ตลับลูกปืนลูกบอลหน้าแปลน | 3 | 6 | 2.5 | 7.2 | 0.6 | 178 | 59 |
| f683 | แบริ่งลูกบอลหน้าแปลน | 3 | 7 | 2 | 8.1 | 0.5 | 264 | 90 |
| F683 2RS | ตลับลูกปืนลูกบอลหน้าแปลน | 3 | 7 | 3 | 8.1 | 0.8 | 264 | 90 |
| f683zz | ตลับลูกปืนลูกบอลหน้าแปลน | 3 | 7 | 3 | 8.1 | 0.8 | 264 | 90 |
| MF83 | แบริ่งลูกบอลหน้าแปลน | 3 | 8 | 2.5 | 9.2 | 0.6 | 336 | 113 |
| MF83 2RS | ตลับลูกปืนลูกบอลหน้าแปลน | 3 | 8 | 2.5 | 9.2 | 0.6 | 336 | 113 |
| mf83zz | ตลับลูกปืนลูกบอลหน้าแปลน | 3 | 8 | 3 | 9.2 | 0.6 | 336 | 113 |
| f693 | แบริ่งลูกบอลหน้าแปลน | 3 | 8 | 3 | 9.5 | 0.7 | 474 | 114 |
| F693 2RS | ตลับลูกปืนลูกบอลหน้าแปลน | 3 | 8 | 4 | 9.5 | 0.9 | 474 | 144 |
| f693zz | ตลับลูกปืนลูกบอลหน้าแปลน | 3 | 8 | 4 | 9.5 | 0.9 | 474 | 144 |
| MF93 | แบริ่งลูกบอลหน้าแปลน | 3 | 9 | 2.5 | 10.2 | 0.6 | 485 | 151 |
| MF93 2R | ตลับลูกปืนลูกบอลหน้าแปลน | 3 | 9 | 2.5 | 10.2 | 0.6 | 485 | 151 |
| mf93zz | ตลับลูกปืนลูกบอลหน้าแปลน | 3 | 9 | 4 | 10.6 | 0.8 | 485 | 151 |
| f603 | แบริ่งลูกบอลหน้าแปลน | 3 | 9 | 3 | 10.5 | 0.7 | 230 | 151 |
| F603 2RS | ตลับลูกปืนลูกบอลหน้าแปลน | 3 | 9 | 5 | 10.5 | 0.7 | 230 | 151 |
| f603zz | ตลับลูกปืนลูกบอลหน้าแปลน | 3 | 9 | 5 | 10.5 | 1 | 230 | 151 |
| f623 | แบริ่งลูกบอลหน้าแปลน | 3 | 10 | 4 | 11.5 | 1 | 536 | 175 |
| F623 2RS | ตลับลูกปืนลูกบอลหน้าแปลน | 3 | 10 | 4 | 11.5 | 1 | 536 | 175 |
| f623zz | ตลับลูกปืนลูกบอลหน้าแปลน | 3 | 10 | 4 | 11.5 | 1 | 536 | 175 |
| MF74 | แบริ่งลูกบอลหน้าแปลน | 4 | 7 | 2 | 8.2 | 0.6 | 264 | 92 |
| MF74 2RS | ตลับลูกปืนลูกบอลหน้าแปลน | 4 | 7 | 2 | 8.2 | 0.6 | 264 | 92 |
| mf74zz | ตลับลูกปืนลูกบอลหน้าแปลน | 4 | 7 | 2.5 | 8.2 | 0.6 | 217 | 86 |
| MF84 | แบริ่งลูกบอลหน้าแปลน | 4 | 8 | 2 | 9.2 | 0.6 | 336 | 113 |
| MF84 2RS | ตลับลูกปืนลูกบอลหน้าแปลน | 4 | 8 | 2 | 9.2 | 0.6 | 336 | 113 |
| mf84zz | ตลับลูกปืนลูกบอลหน้าแปลน | 4 | 8 | 3 | 9.2 | 0.6 | 336 | 113 |
| f684 | แบริ่งลูกบอลหน้าแปลน | 4 | 9 | 2.5 | 10.3 | 0.6 | 545 | 182 |
| F684 2RS | ตลับลูกปืนลูกบอลหน้าแปลน | 4 | 9 | 4 | 10.3 | 1 | 545 | 182 |
| f684zz | ตลับลูกปืนลูกบอลหน้าแปลน | 4 | 9 | 4 | 10.3 | 1 | 545 | 182 |
| MF104 | แบริ่งลูกบอลหน้าแปลน | 4 | 10 | 3 | 11.2 | 0.6 | 604 | 218 |
| MF104 2RS | ตลับลูกปืนลูกบอลหน้าแปลน | 4 | 10 | 4 | 11.6 | 0.8 | 604 | 218 |
| mf104zz | ตลับลูกปืนลูกบอลหน้าแปลน | 4 | 10 | 4 | 11.6 | 0.8 | 604 | 218 |
| f694 | แบริ่งลูกบอลหน้าแปลน | 4 | 11 | 4 | 12.5 | 1 | 814 | 280 |
| F694 2RS | ตลับลูกปืนลูกบอลหน้าแปลน | 4 | 11 | 4 | 12.5 | 1 | 814 | 280 |
| f694zz | ตลับลูกปืนลูกบอลหน้าแปลน | 4 | 11 | 4 | 12.5 | 1 | 814 | 280 |
| f604 | แบริ่งลูกบอลหน้าแปลน | 4 | 12 | 4 | 13.5 | 1 | 814 | 280 |
| f604 2rs | ตลับลูกปืนลูกบอลหน้าแปลน | 4 | 12 | 5 | 13.5 | 1 | 814 | 280 |
| f604zz | ตลับลูกปืนลูกบอลหน้าแปลน | 4 | 12 | 5 | 13.5 | 1 | 814 | 280 |
| f624 | แบริ่งลูกบอลหน้าแปลน | 4 | 13 | 5 | 15 | 1 | 1106 | 390 |
| f624 2rs | ตลับลูกปืนลูกบอลหน้าแปลน | 4 | 13 | 5 | 15 | 1 | 1106 | 390 |
| f624zz | ตลับลูกปืนลูกบอลหน้าแปลน | 4 | 13 | 5 | 15 | 1 | 1106 | 390 |
| f634 | แบริ่งลูกบอลหน้าแปลน | 4 | 16 | 5 | 18 | 1 | 1139 | 418 |
| f634 2rs | ตลับลูกปืนลูกบอลหน้าแปลน | 4 | 16 | 5 | 18 | 1 | 1139 | 418 |
| f634zz | ตลับลูกปืนลูกบอลหน้าแปลน | 4 | 16 | 5 | 18 | 1 | 1139 | 418 |
| MF85 | แบริ่งลูกบอลหน้าแปลน | 5 | 8 | 2 | 9.2 | 0.6 | 262 | 96 |
| MF85 2RS | ตลับลูกปืนลูกบอลหน้าแปลน | 5 | 8 | 2.5 | 9.2 | 0.6 | 185 | 72 |
| mf85zz | ตลับลูกปืนลูกบอลหน้าแปลน | 5 | 8 | 2.5 | 9.2 | 0.6 | 185 | 72 |
| MF95 | แบริ่งลูกบอลหน้าแปลน | 5 | 9 | 2.5 | 10.2 | 0.6 | 366 | 135 |
| MF95 2RS | ตลับลูกปืนลูกบอลหน้าแปลน | 5 | 9 | 3 | 10.2 | 0.6 | 366 | 135 |
| mf95zz | ตลับลูกปืนลูกบอลหน้าแปลน | 5 | 9 | 3 | 10.2 | 0.6 | 366 | 135 |
| MF105 | แบริ่งลูกบอลหน้าแปลน | 5 | 10 | 3 | 11.2 | 0.6 | 366 | 135 |
| MF105 2RS | ตลับลูกปืนลูกบอลหน้าแปลน | 5 | 10 | 4 | 11.6 | 0.8 | 366 | 135 |
| MF105ZZ | ตลับลูกปืนลูกบอลหน้าแปลน | 5 | 10 | 4 | 11.6 | 0.8 | 366 | 135 |
| MF115 2RS | ตลับลูกปืนลูกบอลหน้าแปลน | 5 | 11 | 4 | 12.6 | 0.8 | 609 | 226 |
| MF115ZZ | ตลับลูกปืนลูกบอล | 5 | 11 | 4 | 12.6 | 0.8 | 609 | 226 |
| MF115 | แบริ่งลูกบอลหน้าแปลน | 5 | 11 | 4 | 12.6 | 0.8 | 609 | 226 |
| f685 | แบริ่งลูกบอลหน้าแปลน | 5 | 11 | 3 | 12.5 | 0.8 | 609 | 226 |
| F685 2RS | ตลับลูกปืนลูกบอลหน้าแปลน | 5 | 11 | 5 | 12.5 | 1 | 609 | 226 |
| f685zz | ตลับลูกปืนลูกบอลหน้าแปลน | 5 | 11 | 5 | 12.5 | 1 | 609 | 226 |
| f695 | แบริ่งลูกบอลหน้าแปลน | 5 | 13 | 4 | 15 | 1 | 916 | 346 |
| F695 2RS | ตลับลูกปืนลูกบอลหน้าแปลน | 5 | 13 | 4 | 15 | 1 | 916 | 346 |
| f695zz | ตลับลูกปืนลูกบอลหน้าแปลน | 5 | 13 | 4 | 15 | 1 | 916 | 346 |
| f605 | แบริ่งลูกบอลหน้าแปลน | 5 | 14 | 5 | 16 | 1 | 1130 | 406 |
| F605 2RS | ตลับลูกปืนลูกบอลหน้าแปลน | 5 | 14 | 5 | 16 | 1 | 1130 | 406 |
| f605zz | ตลับลูกปืนลูกบอลหน้าแปลน | 5 | 14 | 5 | 16 | 1 | 1130 | 406 |
| f625 | แบริ่งลูกบอลหน้าแปลน | 5 | 16 | 5 | 18 | 1 | 1470 | 540 |
| F625 2RS | ตลับลูกปืนลูกบอลหน้าแปลน | 5 | 16 | 5 | 18 | 1 | 1470 | 540 |
| f625zz | ตลับลูกปืนลูกบอลหน้าแปลน | 5 | 16 | 5 | 18 | 1 | 1470 | 540 |
| f635 | แบริ่งลูกบอลหน้าแปลน | 5 | 19 | 6 | 22 | 1.5 | 1986 | 717 |
| F635 2RS | ตลับลูกปืนลูกบอลหน้าแปลน | 5 | 19 | 6 | 22 | 1.5 | 1986 | 717 |
| f635zz | ตลับลูกปืนลูกบอลหน้าแปลน | 5 | 19 | 6 | 22 | 1.5 | 1986 | 717 |
| MF106 | แบริ่งลูกบอลหน้าแปลน | 6 | 10 | 2.5 | 11.2 | 0.6 | 422 | 174 |
| MF106 2RS | ตลับลูกปืนลูกบอลหน้าแปลน | 6 | 10 | 3 | 11.2 | 0.6 | 422 | 174 |
| MF106ZZ | ตลับลูกปืนลูกบอลหน้าแปลน | 6 | 10 | 3 | 11.2 | 0.6 | 422 | 174 |
| MF126 | แบริ่งลูกบอลหน้าแปลน | 6 | 12 | 3 | 13.2 | 0.6 | 609 | 236 |
| MF126 2RS | ตลับลูกปืนลูกบอลหน้าแปลน | 6 | 12 | 4 | 13.6 | 0.8 | 609 | 236 |
| mf126zz | ตลับลูกปืนลูกบอลหน้าแปลน | 6 | 12 | 4 | 13.6 | 0.8 | 609 | 236 |
| f686 | แบริ่งลูกบอลหน้าแปลน | 6 | 13 | 3.5 | 15 | 1 | 920 | 354 |
| F686 2RS | ตลับลูกปืนลูกบอลหน้าแปลน | 6 | 13 | 5 | 15 | 1.1 | 920 | 354 |
| f686zz | ตลับลูกปืนลูกบอลหน้าแปลน | 6 | 13 | 5 | 15 | 1.1 | 920 | 354 |
| F696 | แบริ่งลูกบอลหน้าแปลน | 6 | 15 | 5 | 17 | 1.2 | 1139 | 418 |
| F696 2RS | ตลับลูกปืนลูกบอลหน้าแปลน | 6 | 15 | 5 | 17 | 1.2 | 1139 | 418 |
| f696zz | ตลับลูกปืนลูกบอลหน้าแปลน | 6 | 15 | 5 | 17 | 1.2 | 1139 | 418 |
| f606 | แบริ่งลูกบอลหน้าแปลน | 6 | 17 | 6 | 19 | 1.2 | 1924 | 677 |
| F606 2RS | ตลับลูกปืนลูกบอลหน้าแปลน | 6 | 17 | 6 | 19 | 1.2 | 1924 | 677 |
| f606zz | ตลับลูกปืนลูกบอลหน้าแปลน | 6 | 17 | 6 | 19 | 1.2 | 1924 | 677 |
| F626 | แบริ่งลูกบอลหน้าแปลน | 6 | 19 | 6 | 22 | 1.5 | 1986 | 717 |
| F626 2RS | ตลับลูกปืนลูกบอลหน้าแปลน | 6 | 19 | 6 | 22 | 1.5 | 1986 | 717 |
| f626zz | ตลับลูกปืนลูกบอลหน้าแปลน | 6 | 19 | 6 | 22 | 1.5 | 1986 | 717 |
| MF117 | แบริ่งลูกบอลหน้าแปลน | 7 | 11 | 2.5 | 12.2 | 0.6 | 387 | 162 |
| MF117 2RS | ตลับลูกปืนลูกบอลหน้าแปลน | 7 | 11 | 3 | 12.2 | 0.6 | 387 | 162 |
| MF117ZZ | ตลับลูกปืนลูกบอลหน้าแปลน | 7 | 11 | 3 | 12.2 | 0.6 | 387 | 162 |
| MF137 | แบริ่งลูกบอลหน้าแปลน | 7 | 13 | 3 | 14.2 | 0.6 | 460 | 221 |
| MF137 2RS | ตลับลูกปืนลูกบอลหน้าแปลน | 7 | 13 | 4 | 14.6 | 0.8 | 460 | 221 |
| MF137ZZ | ตลับลูกปืนลูกบอลหน้าแปลน | 7 | 13 | 4 | 14.6 | 0.8 | 460 | 221 |
| F687 | แบริ่งลูกบอลหน้าแปลน | 7 | 14 | 3.5 | 16 | 1 | 997 | 410 |
| F687 2RS | ตลับลูกปืนลูกบอลหน้าแปลน | 7 | 14 | 5 | 16 | 1.1 | 997 | 410 |
| f687zz | ตลับลูกปืนลูกบอลหน้าแปลน | 7 | 14 | 5 | 16 | 1.1 | 997 | 410 |
| F697 | แบริ่งลูกบอลหน้าแปลน | 7 | 17 | 5 | 19 | 1.2 | 1364 | 575 |
| F697 2RS | ตลับลูกปืนลูกบอลหน้าแปลน | 7 | 17 | 5 | 19 | 1.2 | 1364 | 575 |
| f697zz | ตลับลูกปืนลูกบอลหน้าแปลน | 7 | 17 | 5 | 19 | 1.2 | 1364 | 575 |
| f607 | แบริ่งลูกบอลหน้าแปลน | 7 | 19 | 6 | 22 | 1.5 | 1986 | 717 |
| F607 2RS | ตลับลูกปืนลูกบอลหน้าแปลน | 7 | 19 | 6 | 22 | 1.5 | 1986 | 717 |
| f607zz | ตลับลูกปืนลูกบอลหน้าแปลน | 7 | 19 | 6 | 22 | 1.5 | 1986 | 717 |
| f627 | แบริ่งลูกบอลหน้าแปลน | 7 | 22 | 7 | 25 | 1.5 | 2794 | 1103 |
| F627 2RS | ตลับลูกปืนลูกบอลหน้าแปลน | 7 | 22 | 7 | 25 | 1.5 | 2794 | 1103 |
| f627zz | ตลับลูกปืนลูกบอลหน้าแปลน | 7 | 22 | 7 | 25 | 1.5 | 2794 | 1103 |
| MF128 | แบริ่งลูกบอลหน้าแปลน | 8 | 12 | 2.5 | 13.2 | 0.6 | 462 | 219 |
| MF128 2RS | ตลับลูกปืนลูกบอลหน้าแปลน | 8 | 12 | 3.5 | 13.6 | 0.8 | 462 | 219 |
| mf128zz | ตลับลูกปืนลูกบอลหน้าแปลน | 8 | 12 | 3.5 | 13.6 | 0.8 | 462 | 219 |
| MF148 | แบริ่งลูกบอลหน้าแปลน | 8 | 14 | 3.5 | 15.6 | 0.8 | 695 | 309 |
| MF148 2RS | ตลับลูกปืนลูกบอลหน้าแปลน | 8 | 14 | 4 | 15.6 | 0.8 | 695 | 309 |
| MF148ZZ | ตลับลูกปืนลูกบอลหน้าแปลน | 8 | 14 | 4 | 15.6 | 0.8 | 695 | 309 |
| f688 | แบริ่งลูกบอลหน้าแปลน | 8 | 16 | 4 | 18 | 1 | 1064 | 474 |
| F688 2RS | ตลับลูกปืนลูกบอลหน้าแปลน | 8 | 16 | 5 | 18 | 1.1 | 1064 | 474 |
| f688zz | ตลับลูกปืนลูกบอลหน้าแปลน | 8 | 16 | 5 | 18 | 1.1 | 1064 | 474 |
| f698 | แบริ่งลูกบอลหน้าแปลน | 8 | 19 | 6 | 22 | 1.5 | 1902 | 734 |
| F698 2RS | ตลับลูกปืนลูกบอลหน้าแปลน | 8 | 19 | 6 | 22 | 1.5 | 1902 | 734 |
| f698zz | ตลับลูกปืนลูกบอลหน้าแปลน | 8 | 19 | 6 | 22 | 1.5 | 1902 | 734 |
| f608 | แบริ่งลูกบอลหน้าแปลน | 8 | 22 | 7 | 25 | 1.5 | 2799 | 1103 |
| F608 2RS | ตลับลูกปืนลูกบอลหน้าแปลน | 8 | 22 | 7 | 25 | 1.5 | 2799 | 1103 |
| f608zz | ตลับลูกปืนลูกบอลหน้าแปลน | 8 | 22 | 7 | 25 | 1.5 | 2799 | 1103 |
| F679 | แบริ่งลูกบอลหน้าแปลน | 9 | 14 | 3 | 15.5 | 0.8 | 781 | 374 |
| F679 2RS | ตลับลูกปืนลูกบอลหน้าแปลน | 9 | 14 | 4.5 | 15.5 | 0.8 | 781 | 374 |
| f679zz | ตลับลูกปืนลูกบอลหน้าแปลน | 9 | 14 | 4.5 | 15.5 | 0.8 | 781 | 374 |
| f689 | แบริ่งลูกบอลหน้าแปลน | 9 | 17 | 4 | 19 | 1 | 1128 | 534 |
| F689 2RS | ตลับลูกปืนลูกบอลหน้าแปลน | 9 | 17 | 5 | 19 | 1.1 | 1128 | 534 |
| f689zz | ตลับลูกปืนลูกบอลหน้าแปลน | 9 | 17 | 5 | 19 | 1.1 | 1128 | 534 |
| f699 | แบริ่งลูกบอลหน้าแปลน | 9 | 20 | 6 | 23 | 1.5 | 2097 | 865 |
| F699 2RS | ตลับลูกปืนลูกบอลหน้าแปลน | 9 | 20 | 6 | 23 | 1.5 | 2097 | 865 |
| f699zz | ตลับลูกปืนลูกบอลหน้าแปลน | 9 | 20 | 6 | 23 | 1.5 | 2097 | 865 |
| f609 | แบริ่งลูกบอลหน้าแปลน | 9 | 24 | 7 | 27 | 1.5 | 2853 | 1155 |
| F609 2RS | ตลับลูกปืนลูกบอลหน้าแปลน | 9 | 24 | 7 | 27 | 1.5 | 2853 | 1155 |
| f609zz | แบริ่งลูกบอลหน้าแปลนปิดผนึก | 9 | 24 | 7 | 27 | 1.5 | 2853 | 1155 |
เกี่ยวกับ Yinin
การใช้งานในอุตสาหกรรม
ข้อมูลข่าวสาร
ติดต่อเรา
การให้คำปรึกษาด้านเทคนิค
โซลูชันที่ปรับแต่งได้
การวิจัยและพัฒนาอย่างต่อเนื่อง
การควบคุมคุณภาพ
การสนับสนุนด้านเทคนิคและการฝึกอบรม
การตอบสนองที่รวดเร็ว
หากคุณมีข้อแนะนำหรือข้อเสนอแนะทางเทคนิคใดๆ เราจะตอบกลับคุณอย่างมืออาชีพโดยเร็วที่สุด!