แบริ่งลูกกลิ้งเรียว 30200 ซีรีส์เป็นแบริ่งที่มีประสิทธิภาพสูงที่ใช้กันอย่างแพร่หลายในอุตสาหกรรมเครื่องจักรและยานยนต์ แบริ่งชุดนี้มีวงแหวนด้านในและด้านนอกและการออกแบบลูกกลิ้งซึ่งสามารถทนต่อการโหลดรัศมีและแนวแกนและปรับให้เข้ากับการทำงานความเร็วสูงและสภาวะโหลดหนัก ขนาดของซีรี่ส์ 30200 มักจะมีขนาดเส้นผ่าศูนย์กลางภายใน 10 มม. ถึง 100 มม. และเส้นผ่านศูนย์กลางด้านนอก 30 มม. ถึง 150 มม. มันเหมาะสำหรับอุปกรณ์เครื่องจักรกลต่างๆเช่นมอเตอร์ไฟฟ้ากล่องเกียร์และอุปกรณ์อุตสาหกรรม การออกแบบเรียวขององค์ประกอบการกลิ้งช่วยลดแรงเสียดทานได้อย่างมีประสิทธิภาพและปรับปรุงประสิทธิภาพการทำงานและความทนทาน แบริ่งชุดนี้ใช้เหล็กคุณภาพสูงและกระบวนการผลิตขั้นสูงเพื่อให้มั่นใจถึงประสิทธิภาพที่ยอดเยี่ยมและอายุการใช้งานที่เชื่อถือได้ นอกจากนี้ซีรี่ส์ 30200 สามารถให้ตัวเลือกการปิดผนึกและการหล่อลื่นที่แตกต่างกันตามความต้องการของลูกค้าเพื่อตอบสนองความต้องการของสถานการณ์แอปพลิเคชันเฉพาะ
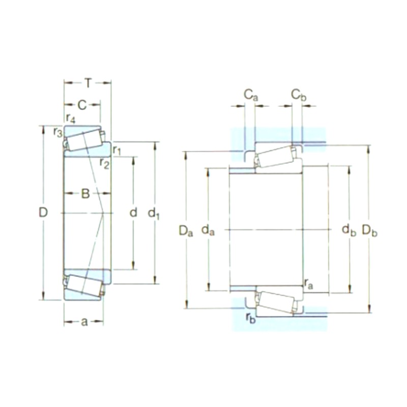
พารามิเตอร์ผลิตภัณฑ์
| การกำหนด | ขนาดหลัก (มม.) | การจัดอันดับโหลดขั้นพื้นฐาน (kn) | PU | การจัดอันดับความเร็ว (รอบต่อนาที) | น้ำหนัก (กิโลกรัม) | iso335 | ขนาด (มม.) | ตัวค้ำและขนาดเนื้อ (มม.) | ค่า | ||||||||||||||||||||
|---|---|---|---|---|---|---|---|---|---|---|---|---|---|---|---|---|---|---|---|---|---|---|---|---|---|---|---|---|---|
| d1 | D | ข | dyc (cr) | STC (COR) | การจัดอันดับความเร็ว | ความเร็ว จำกัด | ขนาด (AขMA) | d | D1 ~ | B | C | R1,2 (นาที) | R3,4 (นาที) | อัน | DA (สูงสุด) | DB (ขั้นต่ำ) | DA (นาที) | DA (สูงสุด) | DB (ขั้นต่ำ) | CA (นาที) | CB (นาที) | RA (สูงสุด) | RB (สูงสุด) | อี | y | ยอ | |||
| 30203J2 | 17 | 40 | 13,25 | 19 | 18,6 | 1,83 | 13000 | 18000 | 0,075 | 2dB | 17 | 28 | 12 | 11 | 1 | 1 | 10 | 23 | 23 | 34 | 34 | 37 | 2 | 2 | 1 | 1 | 0,35 | 1,7 | 0,9 |
| 30204J2/Q | 20 | 47 | 15,25 | 32 | 28 | 3 | 12000 | 15000 | 0,12 | 2dB | 20 | 33,2 | 14 | 12 | 1 | 1 | 11 | 27 | 26 | 40 | 41 | 43 | 2 | 3 | 1 | 1 | 0,35 | 1,7 | 0,9 |
| 30205J2/Q | 25 | 52 | 16,25 | 35,5 | 33,5 | 3,45 | 11000 | 13000 | 0,15 | 3cc | 25 | 37,4 | 15 | 13 | 1 | 1 | 12 | 31 | 31 | 44 | 46 | 48 | 2 | 3 | 1 | 1 | 0,37 | 1,6 | 0,9 |
| 302/28J2 | 28 | 58 | 17,25 | 38 | 41,5 | 4,4 | 9000 | 12000 | 0,25 | - | 28 | 41,8 | 16 | 14 | 1 | 1 | 13 | 35 | 34 | 50 | 52 | 54 | 2 | 3 | 1 | 1 | 0,37 | 1,6 | 0,9 |
| 30206J2/Q | 30 | 62 | 17,25 | 46,5 | 44 | 4,8 | 9000 | 11000 | 0,23 | 3dB | 30 | 44,6 | 16 | 14 | 1 | 1 | 14 | 38 | 36 | 53 | 56 | 57 | 2 | 3 | 1 | 1 | 0,37 | 1,6 | 0,9 |
| 30207J2/Q | 35 | 72 | 18,25 | 58,5 | 56 | 6,1 | 8000 | 9500 | 0,32 | 3dB | 35 | 51,8 | 17 | 15 | 1,5 | 1,5 | 15 | 44 | 42 | 62 | 65 | 67 | 3 | 3 | 1,5 | 1,5 | 0,37 | 1,6 | 0,9 |
| 30208J2/Q | 40 | 80 | 19,75 | 71 | 68 | 7,65 | 7000 | 8500 | 0,42 | 3dB | 40 | 57,5 | 18 | 16 | 1,5 | 1,5 | 16 | 49 | 47 | 69 | 73 | 74 | 3 | 3,5 | 1,5 | 1,5 | 0,37 | 1,6 | 0,9 |
| 30209J2/Q | 45 | 85 | 20,75 | 76,5 | 76,5 | 8,65 | 6300 | 8000 | 0,48 | 3dB | 45 | 63 | 19 | 16 | 1,5 | 1,5 | 18 | 54 | 52 | 74 | 78 | 80 | 3 | 4,5 | 1,5 | 1,5 | 0,4 | 1,5 | 0,8 |
| 30210J2/Q | 50 | 90 | 21,75 | 86,5 | 91,5 | 10,4 | 6000 | 7500 | 0,54 | 3dB | 50 | 67,9 | 20 | 17 | 1,5 | 1,5 | 19 | 58 | 57 | 79 | 83 | 85 | 3 | 4,5 | 1,5 | 1,5 | 0,43 | 1,4 | 0,8 |
| 30211J2/Q | 55 | 100 | 22,75 | 104 | 106 | 12 | 5300 | 6700 | 0,70 | 3dB | 55 | 74,6 | 21 | 18 | 2 | 1,5 | 20 | 64 | 64 | 88 | 93 | 94 | 4 | 4,5 | 2 | 1,5 | 0,4 | 1,5 | 0,8 |
| 30212J2/Q | 60 | 110 | 23,75 | 112 | 114 | 13,2 | 5000 | 6000 | 0,88 | 3EB | 60 | 81,5 | 22 | 19 | 2 | 1,5 | 22 | 70 | 68 | 96 | 103 | 103 | 4 | 4,5 | 2 | 1,5 | 0,4 | 1,5 | 0,8 |
| 30213J2/Q | 65 | 120 | 24,75 | 132 | 134 | 16,3 | 4500 | 5600 | 1,15 | 3EB | 65 | 89 | 23 | 20 | 2 | 1,5 | 23 | 78 | 74 | 106 | 113 | 113 | 4 | 4,5 | 2 | 1,5 | 0,4 | 1,5 | 0,8 |
| 30214J2/Q | 70 | 125 | 26,25 | 125 | 156 | 18 | 4000 | 5300 | 1,25 | 3EB | 70 | 93,9 | 24 | 21 | 2 | 1,5 | 25 | 82 | 78 | 110 | 115 | 118 | 4 | 5 | 2 | 1,5 | 0,43 | 1,4 | 0,8 |
| 30215J2/Q | 75 | 130 | 27,25 | 140 | 176 | 20,4 | 3800 | 5000 | 1,40 | 4dB | 75 | 99,2 | 25 | 22 | 2 | 1,5 | 27 | 86 | 84 | 115 | 122 | 124 | 4 | 5 | 2 | 1,5 | 0,43 | 1,4 | 0,8 |
| 30216J2/Q | 80 | 140 | 28,25 | 151 | 183 | 21,2 | 3400 | 4800 | 1,60 | 3EB | 80 | 105 | 26 | 22 | 2,5 | 2 | 28 | 92 | 90 | 124 | 130 | 132 | 4 | 6 | 2 | 2 | 0,43 | 1,4 | 0,8 |
| 30217J2/Q | 85 | 150 | 30,5 | 176 | 220 | 25,5 | 3200 | 4300 | 2,05 | 3EB | 85 | 112 | 28 | 24 | 2,5 | 2 | 30 | 97 | 95 | 132 | 140 | 141 | 5 | 6,5 | 2 | 2 | 0,43 | 1,4 | 0,8 |
| 30218J2 | 90 | 160 | 32,5 | 194 | 245 | 28,5 | 3000 | 4000 | 2,55 | 3FB | 90 | 118 | 30 | 26 | 2,5 | 2 | 31 | 104 | 101 | 140 | 150 | 150 | 5 | 6,5 | 2 | 2 | 0,43 | 1,4 | 0,8 |
| 30219J2 | 95 | 170 | 34,5 | 216 | 275 | 31,5 | 2800 | 3800 | 3,00 | 3FB | 95 | 126 | 32 | 27 | 3 | 2,5 | 33 | 110 | 107 | 149 | 158 | 159 | 5 | 7,5 | 2,5 | 2 | 0,43 | 1,4 | 0,8 |
| 33020/Q | 100 | 150 | 39 | 224 | 390 | 41,5 | 3000 | 4000 | 2,40 | 2ce | 100 | 122 | 39 | 32,5 | 2 | 1,5 | 29 | 109 | 108 | 135 | 142 | 143 | 7 | 6,5 | 2 | 1,5 | 0,3 | 2 | 1,1 |
| 30220J2 | 100 | 180 | 37 | 246 | 320 | 36 | 2800 | 3600 | 3,65 | 3FB | 100 | 133 | 34 | 29 | 3 | 2,5 | 35 | 116 | 112 | 157 | 168 | 168 | 5 | 8 | 2,5 | 2 | 0,43 | 1,4 | 0,8 |
| 33021/Q | 105 | 160 | 43 | 246 | 430 | 45,5 | 2800 | 3800 | 3,05 | 2de | 105 | 131 | 43 | 34 | 2,5 | 2 | 31 | 117 | 116 | 145 | 150 | 153 | 7 | 9 | 2 | 2 | 0,28 | 2,1 | 1,1 |
| 30221J2 | 105 | 190 | 39 | 270 | 355 | 40 | 2600 | 3400 | 4,25 | 3FB | 105 | 141 | 36 | 30 | 3 | 2,5 | 37 | 123 | 117 | 165 | 178 | 177 | 6 | 9 | 2,5 | 2 | 0,43 | 1,4 | 0,8 |
| 33022 | 110 | 170 | 47 | 281 | 500 | 53 | 2600 | 3600 | 3,85 | 2de | 110 | 139 | 47 | 37 | 2,5 | 2 | 34 | 123 | 121 | 152 | 160 | 161 | 7 | 10 | 2 | 2 | 0,28 | 2,1 | 1,1 |
| 30222J2 | 110 | 200 | 41 | 308 | 405 | 45 | 2400 | 3200 | 5,10 | 3FB | 110 | 148 | 38 | 32 | 3 | 2,5 | 39 | 129 | 122 | 174 | 188 | 187 | 6 | 9 | 2,5 | 2 | 0,43 | 1,4 | 0,8 |
| 33024 | 120 | 180 | 48 | 292 | 540 | 56 | 2600 | 3400 | 4,20 | 2de | 120 | 149 | 48 | 38 | 2,5 | 2 | 36 | 132 | 131 | 160 | 170 | 171 | 6 | 10 | 2 | 2 | 0,3 | 2 | 1,1 |
| 30224J2 | 120 | 215 | 43,5 | 341 | 465 | 49 | 2200 | 3000 | 6,15 | 4FB | 120 | 161 | 40 | 34 | 3 | 2,5 | 43 | 141 | 132 | 187 | 203 | 201 | 6 | 9,5 | 2,5 | 2 | 0,43 | 1,4 | 0,8 |
| 30226J2 | 130 | 230 | 43,75 | 369 | 490 | 53 | 2000 | 2800 | 7,60 | 4FB | 130 | 173 | 40 | 34 | 4 | 3 | 45 | 152 | 146 | 203 | 216 | 217 | 7 | 9,5 | 3 | 2,5 | 0,43 | 1,4 | 0,8 |
| 30228J2 | 140 | 250 | 45,75 | 418 | 570 | 58,5 | 1900 | 2600 | 8,65 | 4FB | 140 | 186 | 42 | 36 | 4 | 3 | 47 | 164 | 156 | 219 | 236 | 234 | 7 | 9,5 | 3 | 2,5 | 0,43 | 1,4 | 0,8 |
| 30230 | 150 | 270 | 49 | 429 | 560 | 57 | 1800 | 2400 | 11,0 | 4GB | 150 | 200 | 45 | 38 | 4 | 3 | 50 | 175 | 166 | 234 | 256 | 250 | 9 | 11 | 3 | 2,5 | 0,43 | 1,4 | 0,8 |
| 30232J2 | 160 | 290 | 52 | 528 | 735 | 72 | 1600 | 2200 | 13,0 | 4GB | 160 | 214 | 48 | 40 | 4 | 3 | 54 | 189 | 176 | 252 | 275 | 269 | 8 | 12 | 3 | 2,5 | 0,43 | 1,4 | 0,8 |
| 30234J2 | 170 | 310 | 57 | 616 | 865 | 83 | 1500 | 2000 | 19,0 | 4GB | 170 | 230 | 52 | 43 | 5 | 4 | 58 | 203 | 190 | 268 | 293 | 288 | 8 | 14 | 4 | 3 | 0,43 | 1,4 | 0,8 |
| 30236J2 | 180 | 320 | 57 | 583 | 815 | 80 | 1500 | 2000 | 20,0 | 4GB | 180 | 239 | 52 | 43 | 5 | 4 | 61 | 211 | 200 | 278 | 303 | 297 | 9 | 14 | 4 | 3 | 0,44 | 1,35 | 0,8 |
| 30238J2 | 190 | 340 | 60 | 721 | 1000 | 95 | 1400 | 1800 | 24,0 | 4GB | 190 | 254 | 55 | 46 | 5 | 4 | 63 | 224 | 210 | 298 | 323 | 318 | 9 | 14 | 4 | 3 | 0,43 | 1,4 | 0,8 |
| 30240J2 | 200 | 360 | 64 | 792 | 1120 | 106 | 1300 | 1700 | 25,0 | 4GB | 200 | 268 | 58 | 48 | 5 | 4 | 68 | 237 | 220 | 315 | 343 | 336 | 9 | 16 | 4 | 3 | 0,43 | 1,4 | 0,8 |
| 30244J2 | 220 | 400 | 72 | 990 | 1400 | 129 | 1200 | 1600 | 40,0 | - | 220 | 294 | 65 | 54 | 5 | 4 | 74 | 259 | 242 | 348 | 383 | 371 | 10 | 18 | 4 | 3 | 0,43 | 1,4 | 0,8 |
เกี่ยวกับ Yinin
การใช้งานในอุตสาหกรรม
ข้อมูลข่าวสาร
ติดต่อเรา
การให้คำปรึกษาด้านเทคนิค
โซลูชันที่ปรับแต่งได้
การวิจัยและพัฒนาอย่างต่อเนื่อง
การควบคุมคุณภาพ
การสนับสนุนด้านเทคนิคและการฝึกอบรม
การตอบสนองที่รวดเร็ว
หากคุณมีข้อแนะนำหรือข้อเสนอแนะทางเทคนิคใดๆ เราจะตอบกลับคุณอย่างมืออาชีพโดยเร็วที่สุด!