ซีรีส์ 30300 แบริ่งลูกกลิ้งเรียว
ซีรีส์ 30300 แบริ่งลูกกลิ้งเรียว
ซีรีส์ 30300 แบริ่งลูกกลิ้งเรียว

ซีรีส์ 30300

แบริ่งลูกกลิ้งเรียว 30300 ซีรีส์เป็นแบริ่งกลิ้งประสิทธิภาพสูงที่ใช้กันอย่างแพร่หลายในเครื่องจักรอุตสาหกรรมรถยนต์และอุปกรณ์หนัก แบริ่งชุดนี้ใช้การออกแบบลูกกลิ้งเรียวซึ่งสามารถทนต่อการโหลดตามแนวแกนและรัศมีขนาดใหญ่และมีความแม่นยำในการหมุนสูงและความต้านทานการสึกหรอ โครงสร้างภายในของมันได้รับการปรับให้เหมาะสมเพื่อลดแรงเสียดทานและความร้อนอย่างมีประสิทธิภาพซึ่งจะขยายอายุการใช้งาน ตลับลูกปืน 30300 ซีรีย์มักทำจากเหล็กโลหะผสมคุณภาพสูงพร้อมการตัดเฉือนพื้นผิวและการรักษาความร้อนเพื่อปรับปรุงความแข็งแรงและความทนทานของพวกเขา แบริ่งชุดนี้ยังมีประสิทธิภาพการปิดผนึกที่ดีซึ่งสามารถป้องกันการบุกรุกของมลพิษภายนอกได้อย่างมีประสิทธิภาพและปรับให้เข้ากับสภาพแวดล้อมการทำงานที่รุนแรงต่าง ๆ

ส่งคำถาม

พารามิเตอร์ผลิตภัณฑ์

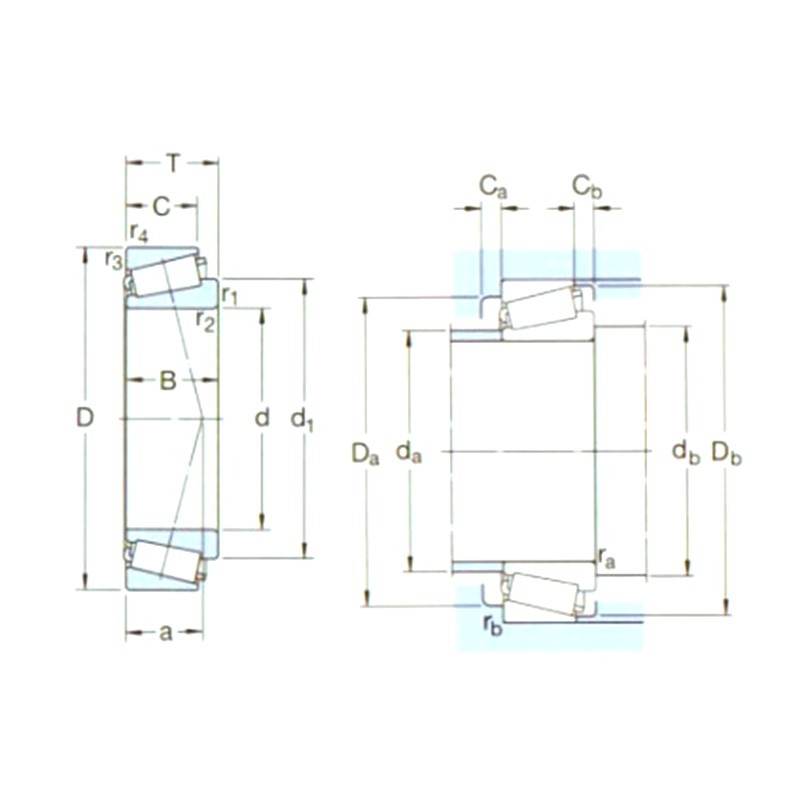
การกำหนด ขนาดหลัก (มม.) การจัดอันดับโหลดขั้นพื้นฐาน (kn) PU การจัดอันดับความเร็ว (รอบต่อนาที) น้ำหนัก (กิโลกรัม) iso335 ขนาด (มม.) ตัวค้ำและขนาดเนื้อ (มม.) ค่า
d1 D dyc (cr) STC (COR) การจัดอันดับความเร็ว ความเร็ว จำกัด ขนาด (AขMA) d D1 ~ B C R1,2 (นาที) R3,4 (นาที) อัน DA (สูงสุด) DB (ขั้นต่ำ) DA (นาที) DA (สูงสุด) DB (ขั้นต่ำ) CA (นาที) CB (นาที) RA (สูงสุด) RB (สูงสุด) อี y ยอ
30303J2 17 47 15,25 28,1 25 2,75 12000 16000 0,13 2FB 17 30,4 14 12 1 1 10 25 23 40 41 42 2 3 1 1 0,28 2,1 1,1
32303J2/Q 17 47 20,25 40 33,5 3,65 12000 16000 0,17 2FD 17 30,7 19 16 1 1 12 24 23 39 41 43 3 4 1 1 0,28 2,1 1,1
30304J2/Q 20 52 16,25 39 32,5 3,6 12000 14000 0,17 2FB 20 34,3 15 13 1,5 1,5 11 28 27 44 45 47 2 3 1,5 1,5 0,3 2 1,1
30305J2 25 62 18,25 44,6 43 4,75 9000 12000 0,26 2FB 25 41,5 17 15 1,5 1,5 13 34 32 54 55 57 2 3 1,5 1,5 0,3 2 1,1
30306J2/Q 30 72 20,75 64 56 6,4 8000 10000 0,39 2FB 30 48,4 19 16 1,5 1,5 15 41 37 62 65 66 3 4,5 1,5 1,5 0,31 1,9 1,1
30307J2/Q 35 80 22,75 83 73,5 8,3 7500 9000 0,52 2FB 35 54,5 21 18 2 1,5 16 46 44 70 71 74 3 4,5 2 1,5 0,31 1,9 1,1
30308J2/Q 40 90 25,25 100 95 10,8 6300 8000 0,72 2FB 40 62,5 23 20 2 1,5 19 53 49 77 81 82 3 5 2 1,5 0,35 1,7 0,9
30309J2/Q 45 100 27,25 125 120 14,3 5600 7000 0,97 2FB 45 70,1 25 22 2 1,5 21 59 53 86 91 92 3 5 2 1,5 0,35 1,7 0,9
30310J2/Q 50 110 29,25 143 140 16,6 5300 6300 1,25 2FB 50 77,2 27 23 2,5 2 23 65 60 95 100 102 4 6 2 2 0,35 1,7 0,9
30311J2/Q 55 120 31,5 166 163 19,3 4800 5600 1,55 2FB 55 84 29 25 2,5 2 24 71 65 104 112 111 4 6,5 2 2 0,35 1,7 0,9
30312J2/Q 60 130 33,5 168 196 23,6 4000 5300 1,95 2FB 60 91,9 31 26 3 2,5 26 77 72 112 118 120 5 7,5 2,5 2 0,35 1,7 0,9
30313J2/Q 65 140 36 194 228 27,5 3600 4800 2,40 2GB 65 98,6 33 28 3 2,5 28 84 77 122 128 130 5 8 2,5 2 0,35 1,7 0,9
30314J2/Q 70 150 38 220 260 31 3400 4500 2,90 2GB 70 105 35 30 3 2,5 29 90 82 130 138 140 5 8 2,5 2 0,35 1,7 0,9
30315J2/Q 75 160 40 246 290 34 3200 4300 3,45 2GB 75 112 37 31 3 2,5 31 96 87 139 148 149 5 9 2,5 2 0,35 1,7 0,9
30316J2 80 170 42,5 270 320 38 3000 4300 4,10 2GB 80 120 39 33 3 2,5 33 102 92 148 158 159 5 9,5 2,5 2 0,35 1,7 0,9
30317J2 85 180 44,5 303 365 40,5 2800 4000 4,85 2GB 85 126 41 34 4 3 35 107 99 156 166 167 6 10,5 3 2,5 0,35 1,7 0,9
30318J2 90 190 46,5 330 400 44 2600 4000 5,65 2GB 90 132 43 36 4 3 36 113 105 165 176 176 6 10,5 3 2,5 0,35 1,7 0,9
30319 95 200 49,5 330 390 42,5 2600 3400 6,70 2GB 95 139 45 38 4 3 39 118 110 172 186 184 6 11,5 3 2,5 0,35 1,7 0,9
30320J2 100 215 51,5 402 490 53 2400 3200 8,05 2GB 100 148 47 39 4 3 40 127 115 184 201 197 6 12,5 3 2,5 0,35 1,7 0,9
30322J2 110 240 54,5 473 585 62 2200 2800 11,0 2GB 110 165 50 42 4 3 43 142 125 206 226 220 8 12,5 3 2,5 0,35 1,7 0,9
30324J2 120 260 59,5 561 710 73,5 2000 2600 14,0 2GB 120 178 55 46 4 3 47 153 135 221 245 237 7 13,5 3 2,5 0,35 1,7 0,9
30326J2 130 280 63,75 627 800 83 1800 2400 17,0 2GB 130 196 58 49 5 4 51 164 150 239 263 255 8 14,5 4 3 0,35 1,7 0,9
33030 150 225 59 457 865 86,5 2000 2600 8,15 2ee 150 188 59 46 3 2,5 48 164 162 200 213 217 8 13 2,5 2 0,37 1,6 0,9
30332J2 160 340 75 913 1180 114 1500 2000 29,0 2GB 160 233 68 58 5 4 61 201 180 290 323 310 9 17 4 3 0,35 1,7 0,9
30352J2 260 540 113 2120 3050 250 850 1200 110 - 260 376 102 85 6 6 97 325 286 461 514 493 15 28 5 5 0,35 1,7 0,9

เกี่ยวกับ Yinin

บริษัท Shanghai Yinin Bearing and Transmission ก่อตั้งขึ้นในปี 2552 โดยมีประสบการณ์ด้านตลับลูกปืนมากกว่า 20 ปี เราคือ ผู้ผลิตในประเทศจีน ซีรีส์ 30300 แบริ่งลูกกลิ้งเรียว nan และให้บริการ การปรับแต่ง ซีรีส์ 30300 แบริ่งลูกกลิ้งเรียว โรงงาน. ตั้งแต่ปี 2542 เราได้ทำหน้าที่เป็นตัวแทนผู้ผลิตตลับลูกปืนในจีนและส่งออกตลับลูกปืนต่างๆ ปัจจุบัน เราได้พัฒนาเป็นกลุ่มตลับลูกปืนที่ครอบคลุมซึ่งรวมการขายและการผลิตเข้าด้วยกัน

การใช้งานในอุตสาหกรรม

แบริ่งยังมีบทบาทสำคัญมากในเครื่องจักรการเกษตร พวกเขาใช้เพื่อสนับสนุนชิ้นส่วนที่หมุนลดแรงเสียดทานป...

แบริ่งถูกนำมาใช้กันอย่างแพร่หลายในรถยนต์ พวกเขาเป็นกุญแจสำคัญในการสนับสนุนและการหมุนของชิ้นส่วนที...

ใช้สำหรับการสนับสนุน, ความสูง, มุม, ข้อต่อและชิ้นส่วนที่หมุนของอุปกรณ์การแพทย์

ใช้สำหรับการสนับสนุนการหมุนมอเตอร์และส่วนคอมเพรสเซอร์ของเครื่องใช้ในครัวเรือน

ใช้สำหรับการหมุนและการเคลื่อนไหวของการสนับสนุนและแนะนำชิ้นส่วนของอุปกรณ์อัตโนมัติ

ในโครงสร้างอาคารแบริ่งสามารถใช้ในการเชื่อมต่อส่วนประกอบโครงสร้างที่แตกต่างกัน

ในกระบวนการผลิตอาหารและเครื่องดื่มจำเป็นต้องใช้ปั๊มเพื่อขนส่งของเหลวและคอมเพรสเซอร์ใช้ในการบีบอัด...

แบริ่งใช้ในเครื่องยนต์เครื่องบินและยานอวกาศเพื่อรองรับส่วนประกอบที่หมุนได้เช่นกังหันพัดลมและเพลา ...

ข้อมูลข่าวสาร

เรียนรู้เพิ่มเติม

2026-02-26

อะไรคือความแตกต่างที่สำคัญระหว่างเกรดความแม่นยำ P6 และ ...
ในโลกที่มีความแม่นยำสูงของการตัดเฉือนด้วยคอมพิวเตอร์ควบคุมเชิงตัวเลข (CNC) ประสิทธิภาพของ ลูกปืน6000 เป็นพื้นฐานในการบรรลุความแม่นยำในระดับซับไมครอน ในฐานะที่เป็นม้าทำงานของ ตลับลูกปืนเม...

2026-02-19

การวิเคราะห์ทางเทคนิค: อะไรคือความแตกต่างหลักระหว่างตลั...
ในด้านวิศวกรรมความเที่ยงตรงสูง การเลือกใช้วัสดุให้ถูกต้อง ตลับลูกปืนเม็ดกลมร่องลึกสแตนเลส คือการตัดสินใจที่กำหนดอายุการใช้งานและความปลอดภัยของเครื่องจักรทั้งหมด ตั้งแต่ปี 2542 บริ...

2026-02-12

ตลับลูกปืนเม็ดกลมสแตนเลส 6200 จำเป็นสำหรับสภาพแวดล้อมอุ...
ในด้านวิศวกรรมการเคลื่อนที่แบบหมุน ซีรีส์ 6200 เป็นหนึ่งในตลับลูกปืนเม็ดกลมร่องลึกที่ใช้กันอย่างแพร่หลายมากที่สุด เนื่องจากมีความสามารถรอบตัวและความสามารถในการรับน้ำหนักในแนวรัศมีที่เหมาะสมที่สุด อ...

ติดต่อเรา

SUBMIT

การให้คำปรึกษาด้านเทคนิค

  • บริษัท Shanghai Yinin Bearing and Transmission

    โซลูชันที่ปรับแต่งได้

  • บริษัท Shanghai Yinin Bearing and Transmission

    การวิจัยและพัฒนาอย่างต่อเนื่อง

  • บริษัท Shanghai Yinin Bearing and Transmission

    การควบคุมคุณภาพ

  • บริษัท Shanghai Yinin Bearing and Transmission

    การสนับสนุนด้านเทคนิคและการฝึกอบรม

  • บริษัท Shanghai Yinin Bearing and Transmission

    การตอบสนองที่รวดเร็ว

หากคุณมีข้อแนะนำหรือข้อเสนอแนะทางเทคนิคใดๆ เราจะตอบกลับคุณอย่างมืออาชีพโดยเร็วที่สุด!

ติดต่อเรา