แบริ่งลูกกลิ้งแบบเรียว 32000 ซีรีส์เป็นแบริ่งที่มีประสิทธิภาพสูงที่ใช้กันอย่างแพร่หลายในสาขาอุตสาหกรรมและเชิงกล ส่วนใหญ่จะใช้ในการรับรัศมีและโหลดตามแนวแกน คุณลักษณะการออกแบบของแบริ่งนี้คือเส้นการติดต่อระหว่างลูกกลิ้งเรียวและวงแหวนด้านในและด้านนอกอยู่ในจุดติดต่อซึ่งสามารถกระจายโหลดได้อย่างมีประสิทธิภาพลดแรงเสียดทานและยืดอายุการใช้งาน ตลับลูกปืน 32000 ซีรีส์มักทำจากเหล็กที่มีความแข็งแรงสูงและมีความต้านทานการสึกหรอที่ยอดเยี่ยมและความต้านทานอุณหภูมิสูงทำให้เหมาะสำหรับใช้ในสภาพแวดล้อมการทำงานที่รุนแรง มีการใช้กันอย่างแพร่หลายในรถยนต์, รถไฟ, พลังงานลม, เครื่องจักรขุดและเขตข้อมูลอื่น ๆ โดยเฉพาะอย่างยิ่งในสถานการณ์ที่จำเป็นต้องมีการโหลดตามแนวแกนขนาดใหญ่ แบริ่งชุดนี้ต้องการการปรับและการหล่อลื่นที่ถูกต้องในระหว่างการติดตั้งเพื่อให้แน่ใจว่าประสิทธิภาพการทำงานและเสถียรภาพที่ดีที่สุด
พารามิเตอร์ผลิตภัณฑ์
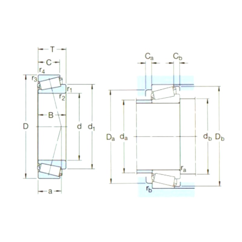
| การกำหนด | ขนาดหลัก (มม.) | การจัดอันดับโหลดขั้นพื้นฐาน (kn) | PU | การจัดอันดับความเร็ว (รอบต่อนาที) | น้ำหนัก (กิโลกรัม) | iso335 | ขนาด (มม.) | ตัวค้ำและขนาดเนื้อ (มม.) | ค่า | ||||||||||||||||||||
|---|---|---|---|---|---|---|---|---|---|---|---|---|---|---|---|---|---|---|---|---|---|---|---|---|---|---|---|---|---|
| d1 | D | ข | dyc (cr) | STC (COR) | การจัดอันดับความเร็ว | ความเร็ว จำกัด | ขนาด (AขMA) | d | D1 ~ | B | C | R1,2 (นาที) | R3,4 (นาที) | อัน | DA (สูงสุด) | DB (ขั้นต่ำ) | DA (นาที) | DA (สูงสุด) | DB (ขั้นต่ำ) | CA (นาที) | CB (นาที) | RA (สูงสุด) | RB (สูงสุด) | อี | y | ยอ | |||
| 32004X/Q | 20 | 42 | 15 | 28 | 27 | 2,7 | 13000 | 16000 | 0,097 | 3cc | 20 | 31,1 | 15 | 12 | 0,6 | 0,6 | 10 | 25 | 25 | 36 | 37 | 39 | 2 | 3 | 0,6 | 0,6 | 0,37 | 1,6 | 0,9 |
| 320/22x | 22 | 44 | 15 | 25,1 | 29 | 2,85 | 11000 | 15000 | 0,10 | 3cc | 22 | 33,3 | 15 | 11,5 | 0,6 | 0,6 | 11 | 27 | 27 | 38 | 39 | 41 | 3 | 3,5 | 0,6 | 0,6 | 0,40 | 1,5 | 0,8 |
| 32005X/Q | 25 | 47 | 15 | 31 | 32,5 | 3,25 | 12000 | 14000 | 0,11 | 4cc | 25 | 36,5 | 15 | 11,5 | 0,6 | 0,6 | 11 | 30 | 30 | 40 | 42 | 44 | 3 | 3,5 | 0,6 | 0,6 | 0,43 | 1,4 | 0,8 |
| 320/28x/q | 28 | 52 | 16 | 36,5 | 38 | 4 | 10000 | 13000 | 0,15 | 4cc | 28 | 40,3 | 16 | 12 | 1 | 1 | 12 | 34 | 34 | 45 | 46 | 49 | 3 | 4 | 1 | 1 | 0,43 | 1,4 | 0,8 |
| 32006X/Q | 30 | 55 | 17 | 40,5 | 44 | 4,55 | 10000 | 12000 | 0,17 | 4cc | 30 | 43 | 17 | 13 | 1 | 1 | 13 | 35 | 36 | 48 | 49 | 52 | 3 | 4 | 1 | 1 | 0,43 | 1,4 | 0,8 |
| 320/32X/Q | 32 | 58 | 17 | 42,5 | 46,5 | 4,8 | 9000 | 11000 | 0,19 | 4cc | 32 | 45,6 | 17 | 13 | 1 | 1 | 14 | 38 | 38 | 50 | 52 | 55 | 3 | 4 | 1 | 1 | 0,46 | 1,3 | 0,7 |
| 32008/38X/Q | 38 | 68 | 19 | 60 | 71 | 7,65 | 7500 | 10000 | 0,28 | - | 38 | 54,2 | 19 | 14,5 | 1 | 1 | 15 | 46 | 44 | 60 | 62 | 65 | 4 | 4,5 | 1 | 1 | 0,37 | 1,6 | 0,9 |
| 32008X/Q | 40 | 68 | 19 | 60 | 71 | 7,65 | 7500 | 9500 | 0,27 | 3CD | 40 | 54,2 | 19 | 14,5 | 1 | 1 | 15 | 46 | 46 | 60 | 62 | 65 | 4 | 4,5 | 1 | 1 | 0,37 | 1,6 | 0,9 |
| 32008XTN9/Q | 40 | 68 | 19 | 60 | 71 | 7,65 | 7500 | 9500 | 0,27 | 3CD | 40 | 54,2 | 19 | 14,5 | 1 | 1 | 15 | 46 | 46 | 60 | 62 | 65 | 4 | 4,5 | 1 | 1 | 0,37 | 1,6 | 0,9 |
| 33209/Q | 45 | 85 | 32 | 108 | 143 | 16,3 | 5300 | 7500 | 0,82 | 3DE | 45 | 65,2 | 32 | 25 | 1,5 | 1,5 | 22 | 52 | 52 | 72 | 78 | 81 | 5 | 7 | 1,5 | 1,5 | 0,4 | 1,5 | 0,8 |
| 32010X/Q | 50 | 80 | 20 | 69,5 | 88 | 9,65 | 6300 | 8000 | 0,37 | 3cc | 50 | 65,6 | 20 | 15,5 | 1 | 1 | 18 | 57 | 56 | 72 | 74 | 77 | 4 | 4,5 | 1 | 1 | 0,43 | 1,4 | 0,8 |
| 32010X/QCL7CVB026 | 50 | 80 | 20 | 69,5 | 88 | 9,65 | 6300 | 8000 | 0,37 | 3cc | 50 | 65,6 | 20 | 15,5 | 3 | 1 | 18 | 57 | 62 | 72 | 74 | 77 | 4 | 4,5 | 2,5 | 1 | 0,43 | 1,4 | 0,8 |
| 32012X/QCL7C | 60 | 95 | 23 | 95 | 122 | 13,4 | 5300 | 6700 | 0,59 | 4cc | 60 | 77,8 | 23 | 17,5 | 1,5 | 1,5 | 21 | 67 | 67 | 85 | 88 | 91 | 4 | 5 | 1,5 | 1,5 | 0,43 | 1,4 | 0,8 |
| 32014X/Q | 70 | 110 | 25 | 116 | 153 | 17,3 | 4500 | 5600 | 0,84 | 4cc | 70 | 89,8 | 25 | 19 | 1,5 | 1,5 | 23 | 78 | 77 | 98 | 103 | 105 | 5 | 6 | 1,5 | 1,5 | 0,43 | 1,4 | 0,8 |
| 32015X/Q | 75 | 115 | 25 | 122 | 163 | 18,6 | 4300 | 5300 | 0,90 | 4cc | 75 | 95,1 | 25 | 19 | 1,5 | 1,5 | 25 | 83 | 82 | 103 | 108 | 110 | 5 | 6 | 1,5 | 1,5 | 0,46 | 1,3 | 0,7 |
| 32016X/Q | 80 | 125 | 29 | 138 | 216 | 24,5 | 3600 | 5000 | 1,30 | 3cc | 80 | 103 | 29 | 22 | 1,5 | 1,5 | 27 | 90 | 87 | 112 | 117 | 120 | 6 | 7 | 1,5 | 1,5 | 0,43 | 1,4 | 0,8 |
| 32018X/Q | 90 | 140 | 32 | 168 | 270 | 31 | 3200 | 4300 | 1,75 | 3cc | 90 | 115 | 32 | 24 | 2 | 1,5 | 30 | 100 | 98 | 125 | 132 | 134 | 6 | 8 | 2 | 1,5 | 0,43 | 1,4 | 0,8 |
| 32019X/Q | 95 | 145 | 32 | 168 | 270 | 30,5 | 3200 | 4300 | 1,80 | 4cc | 95 | 120 | 32 | 24 | 2 | 1,5 | 31 | 105 | 104 | 130 | 138 | 139 | 6 | 8 | 2 | 1,5 | 0,44 | 1,35 | 0,8 |
| 32021x/q | 105 | 160 | 35 | 201 | 335 | 37,5 | 2800 | 3800 | 2,40 | 4DC | 105 | 132 | 35 | 26 | 2,5 | 2 | 34 | 116 | 116 | 143 | 150 | 154 | 6 | 9 | 2 | 2 | 0,44 | 1,35 | 0,8 |
| 32022X/Q | 110 | 170 | 38 | 233 | 390 | 42,5 | 2600 | 3600 | 3,05 | 4DC | 110 | 140 | 38 | 29 | 2,5 | 2 | 36 | 123 | 121 | 152 | 160 | 163 | 7 | 9 | 2 | 2 | 0,43 | 1,4 | 0,8 |
| 32021x/q | 105 | 160 | 35 | 201 | 335 | 37,5 | 2800 | 3800 | 2,40 | 4DC | 105 | 132 | 35 | 26 | 2,5 | 2 | 34 | 116 | 116 | 143 | 150 | 154 | 6 | 9 | 2 | 2 | 0,44 | 1,35 | 0,8 |
| 32022X/Q | 110 | 170 | 38 | 233 | 390 | 42,5 | 2600 | 3600 | 3,05 | 4DC | 110 | 140 | 38 | 29 | 2,5 | 2 | 36 | 123 | 121 | 152 | 160 | 163 | 7 | 9 | 2 | 2 | 0,43 | 1,4 | 0,8 |
| 32024X | 120 | 180 | 38 | 242 | 415 | 44 | 2400 | 3400 | 3,25 | 4DC | 120 | 150 | 38 | 29 | 2,5 | 2 | 39 | 132 | 131 | 161 | 170 | 173 | 7 | 9 | 2 | 2 | 0,46 | 1,3 | 0,7 |
| 32026X | 130 | 200 | 45 | 314 | 540 | 55 | 2200 | 3000 | 4,95 | 4EC | 130 | 165 | 45 | 34 | 2,5 | 2 | 42 | 144 | 142 | 178 | 190 | 192 | 7 | 11 | 2 | 2 | 0,43 | 1,4 | 0,8 |
| 32028X | 140 | 210 | 45 | 330 | 585 | 58,5 | 2200 | 2800 | 5,25 | 4DC | 140 | 175 | 45 | 34 | 2,5 | 2 | 46 | 153 | 152 | 187 | 200 | 202 | 7 | 11 | 2 | 2 | 0,46 | 1,3 | 0,7 |
| 32030X | 150 | 225 | 48 | 369 | 655 | 65,5 | 2000 | 2600 | 6,35 | 4EC | 150 | 187 | 48 | 36 | 3 | 2,5 | 49 | 164 | 164 | 200 | 213 | 216 | 8 | 12 | 2,5 | 2 | 0,46 | 1,3 | 0,7 |
| 32032X | 160 | 240 | 51 | 429 | 780 | 78 | 1800 | 2400 | 7,75 | 4EC | 160 | 200 | 51 | 38 | 3 | 2,5 | 52 | 175 | 174 | 213 | 228 | 231 | 8 | 13 | 2,5 | 2 | 0,46 | 1,3 | 0,7 |
| 32034X | 170 | 260 | 57 | 512 | 915 | 90 | 1700 | 2200 | 10,5 | 4EC | 170 | 214 | 57 | 43 | 3 | 2,5 | 56 | 188 | 184 | 230 | 246 | 249 | 10 | 14 | 2,5 | 2 | 0,44 | 1,35 | 0,8 |
| 32036X | 180 | 280 | 64 | 644 | 1160 | 110 | 1600 | 2200 | 14,5 | 3FD | 180 | 229 | 64 | 48 | 3 | 2,5 | 59 | 199 | 194 | 247 | 266 | 267 | 10 | 16 | 2,5 | 2 | 0,43 | 1,4 | 0,8 |
| 32038X | 190 | 290 | 64 | 660 | 1200 | 112 | 1500 | 2000 | 15,0 | 4FD | 190 | 240 | 64 | 48 | 3 | 2,5 | 62 | 210 | 204 | 257 | 276 | 279 | 10 | 16 | 2,5 | 2 | 0,44 | 1,35 | 0,8 |
| 32040X | 200 | 310 | 70 | 748 | 1370 | 127 | 1400 | 1900 | 19,5 | 4FD | 200 | 254 | 70 | 53 | 3 | 2,5 | 66 | 222 | 214 | 273 | 296 | 297 | 11 | 17 | 2,5 | 2 | 0,43 | 1,4 | 0,8 |
| 32044X | 220 | 340 | 76 | 897 | 1660 | 150 | 1300 | 1700 | 25,5 | 4FD | 220 | 279 | 76 | 57 | 4 | 3 | 72 | 244 | 236 | 300 | 325 | 326 | 12 | 19 | 3 | 2,5 | 0,43 | 1,4 | 0,8 |
| 32048X | 240 | 360 | 76 | 935 | 1800 | 160 | 1200 | 1600 | 27,5 | 4FD | 240 | 299 | 76 | 57 | 4 | 3 | 78 | 262 | 256 | 318 | 345 | 346 | 12 | 19 | 3 | 2,5 | 0,46 | 1,3 | 0,7 |
| 32052X | 260 | 400 | 87 | 1170 | 2200 | 190 | 1100 | 1400 | 40,0 | 4FC | 260 | 328 | 87 | 65 | 5 | 4 | 84 | 287 | 282 | 352 | 383 | 383 | 13 | 22 | 4 | 3 | 0,43 | 1,4 | 0,8 |
| 32056X | 280 | 420 | 87 | 1210 | 2360 | 200 | 1000 | 1300 | 40,5 | 4FC | 280 | 348 | 87 | 65 | 5 | 4 | 89 | 305 | 302 | 370 | 400 | 402 | 14 | 22 | 4 | 3 | 0,46 | 1,3 | 0,7 |
| 32060X | 300 | 460 | 100 | 1540 | 3000 | 250 | 900 | 1200 | 58,0 | 4GD | 300 | 377 | 100 | 74 | 5 | 4 | 97 | 330 | 322 | 404 | 440 | 439 | 15 | 26 | 4 | 3 | 0,43 | 1,4 | 0,8 |
| 32064X | 320 | 480 | 100 | 1540 | 3100 | 255 | 850 | 1100 | 64,0 | 4GD | 320 | 399 | 100 | 74 | 5 | 4 | 103 | 350 | 342 | 424 | 460 | 461 | 15 | 26 | 4 | 3 | 0,46 | 1,3 | 0,7 |
เกี่ยวกับ Yinin
การใช้งานในอุตสาหกรรม
ข้อมูลข่าวสาร
ติดต่อเรา
การให้คำปรึกษาด้านเทคนิค
โซลูชันที่ปรับแต่งได้
การวิจัยและพัฒนาอย่างต่อเนื่อง
การควบคุมคุณภาพ
การสนับสนุนด้านเทคนิคและการฝึกอบรม
การตอบสนองที่รวดเร็ว
หากคุณมีข้อแนะนำหรือข้อเสนอแนะทางเทคนิคใดๆ เราจะตอบกลับคุณอย่างมืออาชีพโดยเร็วที่สุด!