ซีรี่ส์ 32300 แบริ่งลูกกลิ้งเรียว
ซีรี่ส์ 32300 แบริ่งลูกกลิ้งเรียว
ซีรี่ส์ 32300 แบริ่งลูกกลิ้งเรียว

ซีรี่ส์ 32300

ที่ ตลับลูกปืนเม็ดเรียวซีรีส์ 32300 เป็นตลับลูกปืนแบบแยกส่วนความจุสูงที่ออกแบบมาเพื่อจัดการโหลดในแนวรัศมีและแนวแกนจำนวนมากพร้อมกัน ซีรีส์นี้มีรูปทรงภายในที่สูงชัน โดยที่มุมสัมผัสของทางวิ่งด้านใน (กรวย) ทางวิ่งด้านนอก (ถ้วย) และลูกกลิ้งเรียวมาบรรจบกันที่ปลายทั่วไปบนแกนแบริ่ง การออกแบบเฉพาะนี้ช่วยให้มั่นใจได้ถึงการเคลื่อนที่ของลูกกลิ้งอย่างแท้จริงและแรงเสียดทานต่ำระหว่างการทำงาน ผลิตจากเหล็กโครเมียมที่มีความบริสุทธิ์สูง ซีรีส์ 32300 โดดเด่นด้วยหน้าตัดที่ใหญ่ขึ้นและมีเส้นผ่านศูนย์กลางลูกกลิ้งเพิ่มขึ้นเมื่อเทียบกับซีรีส์มาตรฐาน ทำให้มีความสามารถในการรับน้ำหนักเพิ่มขึ้นและความแข็งแกร่งของโครงสร้าง โดยทั่วไปตลับลูกปืนเหล่านี้จะติดตั้งเป็นคู่เพื่อให้เกิดข้อจำกัดในแนวแกนแบบสองทิศทาง ทำให้เป็นส่วนประกอบพื้นฐานในระบบส่งกำลังทางกลสำหรับงานหนักและชุดเพลาของยานพาหนะ

ส่งคำถาม

ข้อมูลจำเพาะทางเทคนิคและโปรไฟล์ประสิทธิภาพ: ตลับลูกปืนเม็ดเรียวซีรีส์ 32300

ข้อได้เปรียบทางเทคนิคหลัก

  • การจัดการโหลดแบบรวม: ออกแบบมาเพื่อรองรับแรงขับที่มีขนาดสูงและแรงในแนวรัศมีผ่านการปรับให้เหมาะสม มุมสัมผัสเรียว .
  • ส่วนประกอบที่แยกได้: ถ้วยและชุดกรวย (ลูกกลิ้งและกรง) สามารถติดตั้งแยกกันได้ ช่วยให้บำรุงรักษาได้ง่ายขึ้นและ การปรับระยะห่างที่แม่นยำ .
  • ความเสถียรในมิติสูง: กระบวนการบำบัดความร้อนแบบพิเศษช่วยให้มั่นใจได้ว่าตลับลูกปืนจะคงสภาพไว้ ความคลาดเคลื่อนทางเรขาคณิต ภายใต้สภาวะความร้อนที่ผันผวน
  • แรงเสียดทานในการทำงานต่ำ: สนามแข่งที่กราวด์อย่างแม่นยำจะช่วยลดความหยาบของพื้นผิว ลดการสะสมแรงบิดและการสะสมความร้อนในระหว่างนั้น การหมุนด้วยความเร็วสูง .

ลักษณะทางเทคนิค

ข้อกำหนดวัสดุ GCr15 เหล็กแบริ่งโครเมียมคาร์บอนสูง
วัสดุกรง เหล็กกด / ทองเหลือง กลึง (ขึ้นอยู่กับการใช้งาน)
เกรดความแม่นยำ P0 (ปกติ), P6, P5
ประเภทการโหลด รัศมีสูงตามแนวแกนทิศทางเดียว
ช่วงอุณหภูมิ -30°C ถึง 120°C (การหล่อลื่นแบบมาตรฐาน)

สถานการณ์การใช้งานหลัก

  • ระบบส่งกำลังของยานยนต์: ดุมล้อรถบรรทุกสำหรับงานหนัก, ส่วนต่าง และระบบส่งกำลัง
  • เครื่องจักรอุตสาหกรรม: ส่วนประกอบหลักใน หน่วยลดเกียร์ โรงรีด และอุปกรณ์การทำเหมือง
  • อุปกรณ์ก่อสร้าง: บูรณาการเข้ากับชุดขับเคลื่อนสุดท้ายของรถขุดและรถปราบดินที่ต้องการ ความต้านทานต่อแรงกระแทก .
  • วิศวกรรมเกษตร: จุดหมุนและเพลาขับความเครียดสูงในรถแทรกเตอร์และเครื่องจักรเก็บเกี่ยว

โปรโตคอลการติดตั้งและบำรุงรักษา

การจัดเก็บและการจัดการ

ตลับลูกปืนควรเก็บไว้ในสภาพแวดล้อมที่สะอาดและแห้งด้วย อุณหภูมิคงที่ เพื่อป้องกันความชื้นควบแน่น การเคลือบจาระบีป้องกันแบบเดิมจะต้องคงสภาพเดิมไว้ อย่าลบ บรรจุภัณฑ์ป้องกันสนิม จนกระทั่งถึงขั้นตอนการติดตั้ง หลีกเลี่ยงการวางซ้อนกันในแนวตั้งเกินความสูงที่กำหนดเพื่อป้องกัน การเปลี่ยนรูปเป็นวงรี ของแหวน

ข้อควรระวังในการใช้งาน

  • การปรับระยะห่างตามแนวแกน: ในระหว่างการประกอบ จบการเล่นหรือโหลดล่วงหน้า ต้องตั้งค่าอย่างถูกต้องตามข้อกำหนดของผู้ผลิตเพื่อหลีกเลี่ยงความเหนื่อยล้าหรือความร้อนสูงเกินไปก่อนวัยอันควร
  • การควบคุมการปนเปื้อน: ตรวจสอบให้แน่ใจว่าตัวเรือนและเพลาไม่มีอนุภาคที่มีฤทธิ์กัดกร่อน ใช้ ซีลที่เข้ากันได้ เพื่อรักษาความบริสุทธิ์ของน้ำมันหล่อลื่นในสภาพแวดล้อมกลางแจ้งหรือมีฝุ่นมาก
  • การเลือกการหล่อลื่น: ใช้ สารเติมแต่งความดันสูง (EP) ในจาระบีสำหรับการใช้งานที่เกี่ยวข้องกับแรงกระแทกหนักเพื่อรักษาฟิล์มน้ำมันที่เพียงพอระหว่างลูกกลิ้งและรางน้ำ
  • การตรวจสอบการจัดตำแหน่ง: มั่นใจ ศูนย์กลางของเพลาถึงตัวเรือน อยู่ภายในขอบเขตที่กำหนดเพื่อป้องกันการโหลดขอบบนลูกกลิ้งเรียว

พารามิเตอร์ผลิตภัณฑ์

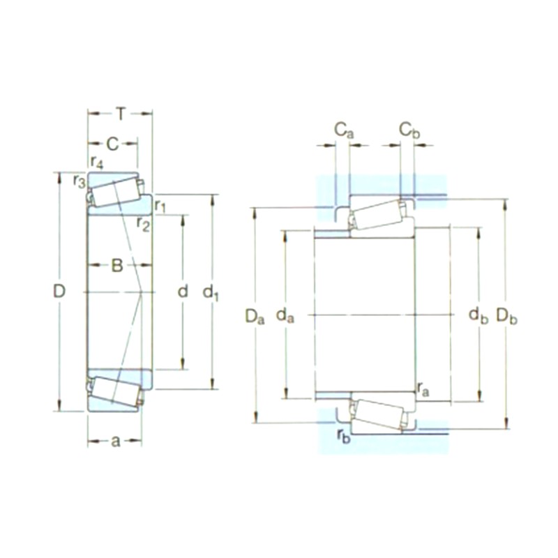
การกำหนด ขนาดหลัก (มม.) พิกัดโหลดพื้นฐาน (KN) ปู่ พิกัดความเร็ว (รอบต่อนาที) น้ำหนัก(กก.) ISO335 ขนาด (มม.) ขนาดตัวยึดและเนื้อสัน (มม.) ความคุ้มค่า
ง1 ดี บี ดีซี(คr) เอสทีซี(คอร์) การให้คะแนนความเร็ว การจำกัดความเร็ว ดีimensions (ABMA) ง1~ บี C r1,2(นาที) r3,4(นาที) งa(max) งb(min) ดีa(min) ดีa(max) ดีb(min) แคลิฟอร์เนีย(นาที) Cb(นาที) รา(สูงสุด) RB(สูงสุด) ยo
32303J2/คิว 17 47 20,25 40 33,5 3,65 12000 16000 0,17 2เอฟดี 17 30,7 19 16 1 1 12 24 23 39 41 43 3 4 1 1 0,28 2,1 1,1
32304J2/คิว 20 52 22,25 51 45,5 5 12000 14000 0,23 2เอฟดี 20 34,5 21 18 1,5 1,5 14 27 27 43 45 47 3 4 1,5 1,5 0,3 2 1,1
32305J2 25 62 25,25 60,5 63 7,1 8000 12000 0,36 2เอฟดี 25 41,7 24 20 1,5 1,5 15 33 32 52 55 57 3 5 1,5 1,5 0,3 2 1,1
32306J2/คิว 30 72 28,75 88 85 9,65 7500 10000 0.55 2เอฟดี 30 48,7 27 23 1,5 1,5 18 39 37 59 65 66 3 5,5 1,5 1,5 0,31 1,9 1,1
32307J2/คิว 35 80 32,75 95,2 106 12,2 6700 9000 0,73 2FE 35 54,8 31 25 2 1,5 20 44 44 66 71 74 4 7,5 2 1,5 0,31 1,9 1,1
32307BJ2/คิว 35 80 32,75 93,5 114 13,2 6300 8500 0,80 5FE 35 59,3 31 25 2 1,5 24 42 44 61 71 76 4 7,5 2 1,5 0.54 1,1 0,6
32307/37BJ2/คิว 37 80 32,75 93,5 114 13,2 6300 8500 0.85 - - 37 54,8 31 25 2 1,5 20 44 44 66 71 74 4 7,5 2 1,5 0.54 1,1 0,6
32308J2/คิว 40 90 35,25 117 140 16 5300 8000 1,00 2เอฟดี 40 62,9 33 27 2 1,5 23 51 49 73 81 82 3 8 2 1,5 0,35 1,7 0,9
32309J2/คิว 45 100 38,25 140 170 20,4 4800 7000 1,35 2เอฟดี 45 70,4 36 30 2 1,5 25 57 53 82 91 93 4 8 2 1,5 0,35 1,7 0,9
32309BJ2/QCL7C 45 100 38,25 156 176 20 5000 6700 1,45 5FD 45 74,8 36 30 2 1,5 30 55 53 76 91 94 5 8 2 1,5 0.54 1,1 0,6
32310J2/คิว 50 110 42,25 172 212 24 4300 6300 1,80 2เอฟดี 50 77,7 40 33 2,5 2 27 63 60 90 100 102 5 9 2 2 0,35 1,7 0,9
32310TN9 50 110 42,25 172 212 24 4300 6300 1,80 2เอฟดี 50 77,7 40 33 2,5 2 27 63 60 90 100 102 5 9 2 2 0,35 1,7 0,9
32310BJ2/QCL7C 50 110 42,25 183 216 24,5 4500 6000 1,85 5FD 50 82,9 40 33 2,5 2 34 62 60 83 100 103 5 9 2 2 0.54 1,1 0,6
32311J2 55 120 45,5 198 250 28,5 4000 5600 2,30 2เอฟดี 55 84,6 43 35 2,5 2 29 68 65 99 112 111 5 10,5 2 2 0,35 1,7 0,9
32311BJ2/QCL7C 55 120 45,5 216 260 30 4300 5600 2,50 5FD 55 90,5 43 35 2,5 2 36 67 65 91 112 112 5 10,5 2 2 0.54 1,1 0,6
32312J2/คิว 60 130 48,5 229 290 34 3600 5300 2,85 2เอฟดี 60 91,7 46 37 3 2,5 31 74 72 107 118 120 6 11,5 2,5 2 0,35 1,7 0,9
32312BJ2/QCL7C 60 130 48,5 255 305 35,5 3800 5000 2,80 5FD 60 98,1 46 37 3 2,5 38 73 72 99 118 122 6 11,5 2,5 2 0.54 1,1 0,6
32313J2/คิว 65 140 51 264 335 40 3400 4800 3,45 2จีดี 65 99,2 48 39 3 2,5 33 80 77 117 128 130 6 12 2,5 2 0,35 1,7 0,9
32313BJ2/QU4CL7CVQ267 65 140 51 285 345 40,5 3600 4800 3,35 5จีดี 65 105 48 39 3 2,5 41 79 77 107 128 131 6 12 2,5 2 0.54 1,1 0,6
32314J2/คิว 70 150 54 297 380 45 3200 4500 4,30 2จีดี 70 106 51 42 3 2,5 36 86 82 125 138 140 6 12 2,5 2 0,35 1,7 0,9
32314BJ2/QCL7C 70 150 54 325 400 46,5 3400 4300 4,25 5จีดี 70 113 51 42 3 2,5 44 85 82 115 138 141 7 12 2,5 2 0.54 1,1 0,6
32315J2 75 160 58 336 440 51 3000 4300 5,20 2จีดี 75 113 55 45 3 2,5 38 92 87 133 148 149 7 13 2,5 2 0,35 1,7 0,9
32315BJ2/QCL7C 75 160 58 380 475 55 3200 4000 5,55 5จีดี 75 120 55 45 3 2,5 46 90 87 124 148 151 7 13 2,5 2 0.54 1,1 0,6
32316J2 80 170 61.5 380 500 57 3000 4300 6,20 2จีดี 80 120 58 48 3 2,5 41 98 92 142 158 159 7 13,5 2,5 2 0,35 1,7 0,9
32317J2 85 180 63,5 402 530 60 2800 4000 6,85 2จีดี 85 126 60 49 4 3 42 103 99 150 166 167 7 14,5 3 2,5 0,35 1,7 0,9
32317BJ2 85 180 63,5 391 560 62 2800 4000 7,50 5จีดี 85 135 60 49 4 3 52 102 99 138 166 169 7 14,5 3 2,5 0.54 1,1 0,6
32318J2 90 190 67,5 457 610 67 2600 4000 8,40 2จีดี 90 133 64 53 4 3 44 109 105 157 176 177 7 14,5 3 2,5 0,35 1,7 0,9
32319J2 95 200 71.5 501 670 72 2400 3400 11,0 2จีดี 95 141 67 55 4 3 47 115 110 166 186 186 8 16,5 3 2,5 0,35 1,7 0,9
32320J2 100 215 77,5 572 780 83 2200 3000 12,5 2จีดี 100 151 73 60 4 3 51 123 115 177 201 200 8 17,5 3 2,5 0,35 1,7 0,9
32321J2 105 225 81.5 605 815 85 2000 3000 14,5 2จีดี 105 158 77 63 4 3 53 129 120 185 211 209 9 18,5 3 2,5 0,35 1,7 0,9
32322 110 240 84,5 627 830 86,5 1900 2800 17,0 2จีดี 110 168 80 65 4 3 55 137 125 198 226 222 9 19,5 3 2,5 0,35 1,7 0,9
32324J2 120 260 90,5 792 1120 110 1800 2600 21,5 2จีดี 120 181 86 69 4 3 60 148 135 213 245 239 9 21,5 3 2,5 0,35 1,7 0,9

เกี่ยวกับ Yinin

บริษัท Shanghai Yinin Bearing and Transmission ก่อตั้งขึ้นในปี 2552 โดยมีประสบการณ์ด้านตลับลูกปืนมากกว่า 20 ปี เราคือ ผู้ผลิตในประเทศจีน ซีรี่ส์ 32300 แบริ่งลูกกลิ้งเรียว nan และให้บริการ การปรับแต่ง ซีรี่ส์ 32300 แบริ่งลูกกลิ้งเรียว โรงงาน. ตั้งแต่ปี 2542 เราได้ทำหน้าที่เป็นตัวแทนผู้ผลิตตลับลูกปืนในจีนและส่งออกตลับลูกปืนต่างๆ ปัจจุบัน เราได้พัฒนาเป็นกลุ่มตลับลูกปืนที่ครอบคลุมซึ่งรวมการขายและการผลิตเข้าด้วยกัน

การใช้งานในอุตสาหกรรม

แบริ่งยังมีบทบาทสำคัญมากในเครื่องจักรการเกษตร พวกเขาใช้เพื่อสนับสนุนชิ้นส่วนที่หมุนลดแรงเสียดทานป...

แบริ่งถูกนำมาใช้กันอย่างแพร่หลายในรถยนต์ พวกเขาเป็นกุญแจสำคัญในการสนับสนุนและการหมุนของชิ้นส่วนที...

ใช้สำหรับการสนับสนุน, ความสูง, มุม, ข้อต่อและชิ้นส่วนที่หมุนของอุปกรณ์การแพทย์

ใช้สำหรับการสนับสนุนการหมุนมอเตอร์และส่วนคอมเพรสเซอร์ของเครื่องใช้ในครัวเรือน

ใช้สำหรับการหมุนและการเคลื่อนไหวของการสนับสนุนและแนะนำชิ้นส่วนของอุปกรณ์อัตโนมัติ

ในโครงสร้างอาคารแบริ่งสามารถใช้ในการเชื่อมต่อส่วนประกอบโครงสร้างที่แตกต่างกัน

ในกระบวนการผลิตอาหารและเครื่องดื่มจำเป็นต้องใช้ปั๊มเพื่อขนส่งของเหลวและคอมเพรสเซอร์ใช้ในการบีบอัด...

แบริ่งใช้ในเครื่องยนต์เครื่องบินและยานอวกาศเพื่อรองรับส่วนประกอบที่หมุนได้เช่นกังหันพัดลมและเพลา ...

ข้อมูลข่าวสาร

เรียนรู้เพิ่มเติม

2026-04-30

ตลับลูกปืนสแตนเลส: คู่มือเปรียบเทียบสนิม เครื่องจักร แล...
ตลับลูกปืนสแตนเลส เป็นหนึ่งในวัสดุตลับลูกปืนที่ใช้กันอย่างแพร่หลายในผลิตภัณฑ์อุตสาหกรรมและสินค้าอุปโภคบริโภค มีความทนทานต่อการกัดกร่อนได้ดีในสภาพแวดล้อมส่วนใหญ่ แต่ไม่ได้ป้องกันสนิมอย่างสมบูร...

2026-04-23

กลยุทธ์ทางวิศวกรรมเพื่อยืดอายุการใช้งานของตลับลูกปืนเม็...
บริษัท Shanghai Yinin Bearing & Transmission ก่อตั้งขึ้นในฐานะองค์กรบูรณาการอุตสาหกรรมและการค้าตั้งแต่ปี 2559 เชี่ยวชาญในการออกแบบและการผลิตส่วนประกอบแบบหมุนระดับไฮเอนด์อย่างครอบคลุม ด้วยประวัติย้อ...

2026-04-15

จะเลือกระยะห่างภายในที่เหมาะสมสำหรับตลับลูกปืนเม็ดกลมสอ...
ผลกระทบของความเร็วในการหมุนสูงต่อการกวาดล้างแบริ่ง แรงเหวี่ยงและการขยายตัวทางความร้อน : ในการใช้งานความเร็วสูง วงแหวนด้านในของ ตลับลูกปืนเม็ดกลมสัมผัสเชิงมุมสองแถว โดยทั่ว...

ติดต่อเรา

SUBMIT

การให้คำปรึกษาด้านเทคนิค

  • บริษัท Shanghai Yinin Bearing and Transmission

    โซลูชันที่ปรับแต่งได้

  • บริษัท Shanghai Yinin Bearing and Transmission

    การวิจัยและพัฒนาอย่างต่อเนื่อง

  • บริษัท Shanghai Yinin Bearing and Transmission

    การควบคุมคุณภาพ

  • บริษัท Shanghai Yinin Bearing and Transmission

    การสนับสนุนด้านเทคนิคและการฝึกอบรม

  • บริษัท Shanghai Yinin Bearing and Transmission

    การตอบสนองที่รวดเร็ว

หากคุณมีข้อแนะนำหรือข้อเสนอแนะทางเทคนิคใดๆ เราจะตอบกลับคุณอย่างมืออาชีพโดยเร็วที่สุด!

ติดต่อเรา