33000 ซีรีส์ แบริ่งลูกกลิ้งเรียว
33000 ซีรีส์ แบริ่งลูกกลิ้งเรียว
33000 ซีรีส์ แบริ่งลูกกลิ้งเรียว

33000 ซีรีส์

ที่ แบริ่งลูกกลิ้งเรียว 33000 ซีรีส์ เป็นแบริ่งกลิ้งประสิทธิภาพสูงที่ใช้กันอย่างแพร่หลายในการรับภาระหนักและโหลดตามแนวแกน แบริ่งชุดนี้ใช้การออกแบบลูกกลิ้งเรียวซึ่งสามารถแบ่งปันโหลดได้อย่างมีประสิทธิภาพจากหลายทิศทางและให้ความแข็งแกร่งและความมั่นคงที่สูงขึ้น การออกแบบเรียวของวงแหวนด้านในและด้านนอกเพิ่มพื้นที่สัมผัสซึ่งจะช่วยเพิ่มความสามารถในการรับน้ำหนักและความต้านทานการสึกหรอ แบริ่งประเภทนี้มักใช้ในเครื่องจักรอุตสาหกรรมรถยนต์รถไฟการบินและสาขาอื่น ๆ และเหมาะอย่างยิ่งสำหรับการใช้งานที่ต้องการความแม่นยำและประสิทธิภาพสูง แบริ่ง 33000 ซีรีส์ยังมีความต้านทานอุณหภูมิที่ดีและความต้านทานการกัดกร่อนและสามารถทำงานในสภาพแวดล้อมที่รุนแรงเป็นเวลานาน ด้วยการหล่อลื่นและการบำรุงรักษาที่สมเหตุสมผลอายุการใช้งานสามารถขยายได้อย่างมีนัยสำคัญและต้นทุนการบำรุงรักษาสามารถลดลงได้ ข้อกำหนดต่าง ๆ ของแบริ่งชุดนี้สามารถตอบสนองความต้องการของลูกค้าที่แตกต่างกันและใช้กันอย่างแพร่หลายในอุปกรณ์หมุนประเภทต่างๆ

ส่งคำถาม

แบริ่งลูกกลิ้งเรียว 33000 ซีรีส์ - อุตสาหกรรมที่มีความแม่นยำสูงและยาวนาน

แบริ่งลูกกลิ้งเรียว 33000 ซีรีส์ เป็นแบริ่งการกลิ้งความจุสูงที่มีความแม่นยำสูงเหมาะสำหรับการใช้งานด้านอุตสาหกรรมและเชิงกลที่หลากหลาย แบริ่งชุดนี้ใช้ลูกกลิ้งเรียวและการออกแบบเรซเวย์เรียวเรียวสามารถแบกรับรัศมีและการโหลดตามแนวแกนในเวลาเดียวกันและมีความเสถียรและความทนทานที่ดี


ข้อได้เปรียบของผลิตภัณฑ์

ความสามารถในการโหลดสูง
แบริ่งลูกกลิ้งแบบเรียว 33000 ซีรีส์ใช้โครงสร้างลูกกลิ้งเรียวซึ่งสามารถรับโหลดรัศมีและแกนขนาดใหญ่ในเวลาเดียวกันและเหมาะสำหรับสภาพการทำงานหนัก

มีความแม่นยำสูงและมีชีวิตยืนยาว
แบริ่งชุดนี้ใช้เทคโนโลยีการผลิตที่มีความแม่นยำเพื่อให้แน่ใจว่ามีความแม่นยำสูงและมีชีวิตที่ยาวนาน การรักษาแบบแข็งของพื้นผิวและการออกแบบการกระจายความเครียดที่ดีที่สุดช่วยเพิ่มอายุการใช้งานความเหนื่อยล้าและความน่าเชื่อถือของแบริ่ง

หลายรุ่นและข้อกำหนด
ตลับลูกปืน 33000 ซีรีส์มีให้เลือกทั้งแบบจำลองและขนาดเพื่อตอบสนองความต้องการของสถานการณ์แอปพลิเคชันที่แตกต่างกัน ตัวอย่างเช่นซีรี่ส์ 33000 รวมถึง 33000, 33001, 33002 และรุ่นอื่น ๆ เหมาะสำหรับสภาพโหลดและความเร็วที่แตกต่างกัน

บริการปรับแต่งได้
แบริ่งชุดนี้รองรับบริการปรับแต่ง OEM และลูกค้าสามารถปรับแต่งตามความต้องการของตนเองรวมถึงขนาดวัสดุประเภทซีล ฯลฯ

แอปพลิเคชันที่หลากหลาย
แบริ่งลูกกลิ้งเรียว 33000 ซีรีส์มีการใช้กันอย่างแพร่หลายในเครื่องจักรอุตสาหกรรมรถยนต์เครื่องจักรกลการเกษตรปั๊มพัดลมลิฟต์อุปกรณ์โลหะเครื่องจักรเครื่องจักรและสาขาอื่น ๆ

ซีลหลายประเภท
ตลับลูกปืนชุดนี้มีประเภทซีลที่หลากหลายเช่น Open, ประเภท Z, ประเภท 2Z, ประเภท RS, 2RS ประเภท ฯลฯ เพื่อตอบสนองความต้องการการปิดผนึกในสภาพแวดล้อมที่แตกต่างกัน

ตัวเลือกวัสดุหลายตัว
ตลับลูกปืนชุดนี้สามารถใช้วัสดุที่หลากหลายเช่น GCR15, แบริ่งเหล็ก ฯลฯ เพื่อให้แน่ใจว่าประสิทธิภาพภายใต้สภาพการทำงานที่แตกต่างกัน


แอปพลิเคชันผลิตภัณฑ์
เครื่องจักรอุตสาหกรรม: เช่นเครื่องมือเครื่องจักรตัวลดระบบส่งกำลัง ฯลฯ
รถยนต์: เช่นเครื่องยนต์, กระปุกเกียร์, ระบบพวงมาลัย ฯลฯ
เครื่องจักรกลการเกษตร: เช่นผู้เก็บเกี่ยว, รถแทรกเตอร์, เมล็ดพันธุ์ ฯลฯ
ปั๊มและพัดลม: เช่นปั๊มแรงเหวี่ยงเครื่องเป่าลมคอมเพรสเซอร์ ฯลฯ
ลิฟต์: เช่นเครื่องลาก, ระบบรถไฟนำทาง ฯลฯ
อุปกรณ์โลหะ: เช่นโรงงานกลิ้งเครื่องบดเครื่องบดสายพานลำเลียง ฯลฯ
เครื่องจักรการขุด: เช่นรถขุด, รถตัก, เครื่องบด, ฯลฯ

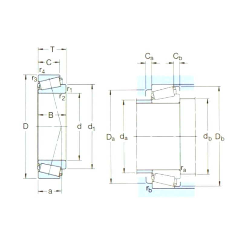
พารามิเตอร์ผลิตภัณฑ์

การกำหนด ขนาดหลัก (มม.) การจัดอันดับโหลดขั้นพื้นฐาน (kn) PU การจัดอันดับความเร็ว (รอบต่อนาที) น้ำหนัก (กิโลกรัม) iso335 ขนาด (มม.) ตัวค้ำและขนาดเนื้อ (มม.) ค่า
d1 D dyc (cr) STC (COR) การจัดอันดับความเร็ว ความเร็ว จำกัด ขนาด (AขMA) d D1 ~ B C R1,2 (นาที) R3,4 (นาที) อัน DA (สูงสุด) DB (ขั้นต่ำ) DA (นาที) DA (สูงสุด) DB (ขั้นต่ำ) CA (นาที) CB (นาที) RA (สูงสุด) RB (สูงสุด) อี y ยอ
33010/Q 50 80 24 80 102 11,4 6300 8000 0,4 5 2ce 50 64,9 24 19 1 1 17 56 56 72 74 76 4 5 1 1 0,31 1,9 1,1
33011/Q 55 90 27 104 137 15,3 5600 7000 0,67 2ce 55 72,9 27 21 1,5 1,5 19 63 62 81 83 86 5 6 1,5 1,5 0,31 1,9 1,1
33012/Q 60 95 27 106 143 16 5300 6700 0,71 2ce 60 77,1 27 21 1,5 1,5 20 67 67 85 88 90 5 6 1,5 1,5 0,33 1,8 1
33013/Q 65 100 27 110 153 17,3 5000 6300 0,78 2ce 65 82,5 27 21 1,5 1,5 21 72 72 89 93 96 5 6 1,5 1,5 0,35 1,7 0,9
33014 70 110 31 130 196 22,8 4300 5600 1,10 2ce 70 88,8 31 25,5 1,5 1,5 23 78 77 99 103 105 5 5,5 1,5 1,5 0,28 2,1 1,1
33015/Q 75 115 31 134 228 26 4000 5300 1,15 2ce 75 95 31 25,5 1,5 1,5 23 84 82 104 108 110 6 5,5 1,5 1,5 0,3 2 1,1
33016/Q 80 125 36 168 285 32 3600 5000 1,65 2ce 80 102 36 29,5 1,5 1,5 26 90 87 112 117 119 6 6,5 1,5 1,5 0,28 2,1 1,1
33017/Q 85 130 36 183 310 34,5 3600 4800 1,75 2ce 85 107 36 29,5 1,5 1,5 26 94 92 118 122 125 6 6,5 1,5 1,5 0,3 2 1,1
33018/Q 90 140 39 216 355 39 3200 4500 2,20 2ce 90 113 39 32,5 2 1,5 27 100 98 127 132 135 7 6,5 2 1,5 0,27 2,2 1,3
33019/Q 95 145 39 220 375 40,5 3200 4300 2,30 2ce 95 118 39 32,5 2 1,5 28 104 104 131 138 139 7 6,5 2 1,5 0,28 2,1 1,1
33020/Q 100 150 39 224 390 41,5 3000 4000 2,40 2ce 100 122 39 32,5 2 1,5 29 109 108 135 142 143 7 6,5 2 1,5 0,3 2 1,1
33021/Q 105 160 43 246 430 45,5 2800 3800 3,05 2de 105 131 43 34 2,5 2 31 117 116 145 150 153 7 9 2 2 0,28 2,1 1,1
33022 110 170 47 281 500 53 2600 3600 3,85 2de 110 139 47 37 2,5 2 34 123 121 152 160 161 7 10 2 2 0,28 2,1 1,1
33024 120 180 48 292 540 56 2600 3400 4,20 2de 120 149 48 38 2,5 2 36 132 131 160 170 171 6 10 2 2 0,3 2 1,1
33030 150 225 59 457 865 86,5 2000 2600 8,15 2ee 150 188 59 46 3 2,5 48 164 162 200 213 217 8 13 2,5 2 0,37 1,6 0,9
31330xj2 150 320 82 781 1020 100 1400 2000 29,5 7GB 150 234 75 50 5 4 96 181 170 251 303 300 9 32 4 3 0,83 0,72 0,4

เกี่ยวกับ Yinin

บริษัท Shanghai Yinin Bearing and Transmission ก่อตั้งขึ้นในปี 2552 โดยมีประสบการณ์ด้านตลับลูกปืนมากกว่า 20 ปี เราคือ ผู้ผลิตในประเทศจีน 33000 ซีรีส์ แบริ่งลูกกลิ้งเรียว nan และให้บริการ การปรับแต่ง 33000 ซีรีส์ แบริ่งลูกกลิ้งเรียว โรงงาน. ตั้งแต่ปี 2542 เราได้ทำหน้าที่เป็นตัวแทนผู้ผลิตตลับลูกปืนในจีนและส่งออกตลับลูกปืนต่างๆ ปัจจุบัน เราได้พัฒนาเป็นกลุ่มตลับลูกปืนที่ครอบคลุมซึ่งรวมการขายและการผลิตเข้าด้วยกัน

การใช้งานในอุตสาหกรรม

แบริ่งยังมีบทบาทสำคัญมากในเครื่องจักรการเกษตร พวกเขาใช้เพื่อสนับสนุนชิ้นส่วนที่หมุนลดแรงเสียดทานป...

แบริ่งถูกนำมาใช้กันอย่างแพร่หลายในรถยนต์ พวกเขาเป็นกุญแจสำคัญในการสนับสนุนและการหมุนของชิ้นส่วนที...

ใช้สำหรับการสนับสนุน, ความสูง, มุม, ข้อต่อและชิ้นส่วนที่หมุนของอุปกรณ์การแพทย์

ใช้สำหรับการสนับสนุนการหมุนมอเตอร์และส่วนคอมเพรสเซอร์ของเครื่องใช้ในครัวเรือน

ใช้สำหรับการหมุนและการเคลื่อนไหวของการสนับสนุนและแนะนำชิ้นส่วนของอุปกรณ์อัตโนมัติ

ในโครงสร้างอาคารแบริ่งสามารถใช้ในการเชื่อมต่อส่วนประกอบโครงสร้างที่แตกต่างกัน

ในกระบวนการผลิตอาหารและเครื่องดื่มจำเป็นต้องใช้ปั๊มเพื่อขนส่งของเหลวและคอมเพรสเซอร์ใช้ในการบีบอัด...

แบริ่งใช้ในเครื่องยนต์เครื่องบินและยานอวกาศเพื่อรองรับส่วนประกอบที่หมุนได้เช่นกังหันพัดลมและเพลา ...

ข้อมูลข่าวสาร

เรียนรู้เพิ่มเติม

2026-03-26

What are the Structural Advantages of Using an Angular ...
In high-precision mechanical engineering, the choice between integrated components and modular assemblies often determines the ultimate stability of the system. For rotational applications requiring h...

2026-03-19

เหตุใดตลับลูกปืนรุ่น 6000 ของคุณจึงมีความร้อนสูงเกินไป ...
ในขอบเขตของเครื่องจักรหมุนที่มีความแม่นยำ ลูกปืน6000 เป็นส่วนประกอบที่แพร่หลาย โดยได้รับความนิยมจากความสามารถในการรับน้ำหนักทั้งแนวรัศมีและแนวแกนในพื้นที่ขนาดเล็กเพียง 10x26x8 มม. อย่...

2026-03-12

เหตุใดตลับลูกปืนเม็ดกลมร่องลึกสเตนเลสเกรดอาหารจึงจำเป็น...
ในสภาพแวดล้อมที่มีเดิมพันสูงของการผลิตอาหารและเครื่องดื่ม ความน่าเชื่อถือทางกลและความปลอดภัยทางชีวภาพเป็นสิ่งที่แยกจากกันไม่ได้ ทางเลือกของ ตลับลูกปืนเม็ดกลมร่องลึกสแตนเลส เป็นการตัดสินใจทาง...

ติดต่อเรา

SUBMIT

การให้คำปรึกษาด้านเทคนิค

  • บริษัท Shanghai Yinin Bearing and Transmission

    โซลูชันที่ปรับแต่งได้

  • บริษัท Shanghai Yinin Bearing and Transmission

    การวิจัยและพัฒนาอย่างต่อเนื่อง

  • บริษัท Shanghai Yinin Bearing and Transmission

    การควบคุมคุณภาพ

  • บริษัท Shanghai Yinin Bearing and Transmission

    การสนับสนุนด้านเทคนิคและการฝึกอบรม

  • บริษัท Shanghai Yinin Bearing and Transmission

    การตอบสนองที่รวดเร็ว

หากคุณมีข้อแนะนำหรือข้อเสนอแนะทางเทคนิคใดๆ เราจะตอบกลับคุณอย่างมืออาชีพโดยเร็วที่สุด!

ติดต่อเรา