33100 ซีรีส์ แบริ่งลูกกลิ้งเรียว
33100 ซีรีส์ แบริ่งลูกกลิ้งเรียว
33100 ซีรีส์ แบริ่งลูกกลิ้งเรียว

33100 ซีรีส์

แบริ่งลูกกลิ้งแบบเรียว 33100 ซีรีส์เป็นแบริ่งที่มีประสิทธิภาพสูงที่ใช้กันอย่างแพร่หลายในอุปกรณ์เครื่องจักรกลและมีความสามารถในการรับน้ำหนักและความต้านทานการสึกหรอที่ยอดเยี่ยม แบริ่งชนิดนี้ใช้การออกแบบลูกกลิ้งเรียวซึ่งสามารถกระจายโหลดและปรับให้เข้ากับกองกำลังรัศมีและแกนขนาดใหญ่ได้อย่างมีประสิทธิภาพ วงแหวนด้านในและด้านนอกและลูกกลิ้งของตลับลูกปืน 33100 ซีรีย์นั้นมีความแม่นยำในการกลึงเพื่อให้แน่ใจว่าเหมาะสมและสูญเสียแรงเสียดทานต่ำยืดอายุการใช้งาน นอกจากนี้การออกแบบที่ปิดผนึกของแบริ่งช่วยป้องกันการบุกรุกของฝุ่นและสิ่งสกปรกเพื่อให้มั่นใจว่ามีความน่าเชื่อถือในสภาพแวดล้อมที่รุนแรง มันมักจะใช้ในรถยนต์การขุดโลหะโลหะและอุตสาหกรรมอื่น ๆ และเหมาะอย่างยิ่งสำหรับสภาพการทำงานหนักและอุณหภูมิสูง ด้วยการหล่อลื่นและการบำรุงรักษาที่เหมาะสมแบริ่งลูกกลิ้งแบบเรียว 33100 ซีรีส์สามารถให้ประสิทธิภาพที่ยอดเยี่ยมและการทำงานที่มั่นคงตอบสนองความต้องการสูงสำหรับตลับลูกปืนในอุตสาหกรรมสมัยใหม่

ส่งคำถาม

พารามิเตอร์ผลิตภัณฑ์

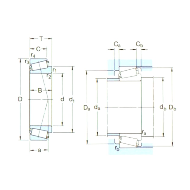
การกำหนด ขนาดหลัก (มม.) การจัดอันดับโหลดขั้นพื้นฐาน (kn) PU การจัดอันดับความเร็ว (รอบต่อนาที) น้ำหนัก (กิโลกรัม) iso335 ขนาด (มม.) ตัวค้ำและขนาดเนื้อ (มม.) ค่า
d1 D dyc (cr) STC (COR) การจัดอันดับความเร็ว ความเร็ว จำกัด ขนาด (AขMA) d D1 ~ B C R1,2 (นาที) R3,4 (นาที) อัน DA (สูงสุด) DB (ขั้นต่ำ) DA (นาที) DA (สูงสุด) DB (ขั้นต่ำ) CA (นาที) CB (นาที) RA (สูงสุด) RB (สูงสุด) อี y ยอ
33108/Q 40 75 26 91,5 104 11,4 7000 9000 0,51 2ce 40 57,5 26 20,5 1,5 1,5 18 47 47 65 68 71 4 5,5 1,5 1,5 0,35 1,7 0,9
33109/Q 45 80 26 96,5 114 12,9 6700 8000 0,56 3CE 45 62,7 26 20,5 1,5 1,5 19 52 52 69 73 77 4 5,5 1,5 1,5 0,37 1,6 0,9
33110/Q 50 85 26 100 122 13,4 6000 7500 0,59 3CE 50 67,9 26 20 1,5 1,5 20 57 57 74 78 82 4 6 1,5 1,5 0,4 1,5 0,8
33111/Q 55 95 30 110 156 17,6 5000 6700 0,86 3CE 55 75,1 30 23 1,5 1,5 22 63 62 83 88 91 5 7 1,5 1,5 0,37 1,6 0,9
33112/Q 60 100 30 134 170 19,6 5300 6300 0,92 3CE 60 80,4 30 23 1,5 1,5 23 67 67 88 93 96 5 7 1,5 1,5 0,4 1,5 0,8
33113/Q 65 110 34 142 208 24 4300 5600 1,30 3DE 65 87,9 34 26,5 1,5 1,5 26 74 72 96 103 106 6 7,5 1,5 1,5 0,4 1,5 0,8
33114/Q 70 120 37 172 250 30 4000 5300 1,70 3DE 70 94,8 37 29 2 1,5 28 80 79 104 112 115 6 8 2 1,5 0,37 1,6 0,9
33115/Q 75 125 37 176 265 31,5 3800 5000 1,80 3DE 75 100 37 29 2 1,5 29 84 84 109 117 120 6 8 2 1,5 0,4 1,5 0,8
33116/Q 80 130 37 179 280 32,5 3600 4800 1,90 3DE 80 105 37 29 2 1,5 30 89 89 114 122 126 6 8 2 1,5 0,43 1,4 0,8
33116TN9/Q 80 130 37 179 280 32,5 3600 4800 1,90 3DE 80 105 37 29 2 1,5 30 89 89 114 122 126 6 8 2 1,5 0,43 1,4 0,8
33117/Q 85 140 41 220 340 38 3400 4500 2,45 3DE 85 112 41 32 2,5 2 32 95 95 122 130 135 7 9 2 2 0,4 1,5 0,8
33118/Q 90 150 45 251 390 43 3000 4300 3,10 3DE 90 120 45 35 2,5 2 35 101 101 130 140 144 7 10 2 2 0,4 1,5 0,8
33118TN9/Q 90 150 45 251 390 43 3000 4300 3,10 3DE 90 120 45 35 2,5 2 35 101 101 130 140 144 7 10 2 2 0,4 1,5 0,8
33122 110 180 56 369 630 67 2600 3400 5,55 3ee 110 146 56 43 2,5 2 44 121 121 155 170 174 9 13 2 2 0,43 1,4 0,8

เกี่ยวกับ Yinin

บริษัท Shanghai Yinin Bearing and Transmission ก่อตั้งขึ้นในปี 2552 โดยมีประสบการณ์ด้านตลับลูกปืนมากกว่า 20 ปี เราคือ ผู้ผลิตในประเทศจีน 33100 ซีรีส์ แบริ่งลูกกลิ้งเรียว nan และให้บริการ การปรับแต่ง 33100 ซีรีส์ แบริ่งลูกกลิ้งเรียว โรงงาน. ตั้งแต่ปี 2542 เราได้ทำหน้าที่เป็นตัวแทนผู้ผลิตตลับลูกปืนในจีนและส่งออกตลับลูกปืนต่างๆ ปัจจุบัน เราได้พัฒนาเป็นกลุ่มตลับลูกปืนที่ครอบคลุมซึ่งรวมการขายและการผลิตเข้าด้วยกัน

การใช้งานในอุตสาหกรรม

แบริ่งยังมีบทบาทสำคัญมากในเครื่องจักรการเกษตร พวกเขาใช้เพื่อสนับสนุนชิ้นส่วนที่หมุนลดแรงเสียดทานป...

แบริ่งถูกนำมาใช้กันอย่างแพร่หลายในรถยนต์ พวกเขาเป็นกุญแจสำคัญในการสนับสนุนและการหมุนของชิ้นส่วนที...

ใช้สำหรับการสนับสนุน, ความสูง, มุม, ข้อต่อและชิ้นส่วนที่หมุนของอุปกรณ์การแพทย์

ใช้สำหรับการสนับสนุนการหมุนมอเตอร์และส่วนคอมเพรสเซอร์ของเครื่องใช้ในครัวเรือน

ใช้สำหรับการหมุนและการเคลื่อนไหวของการสนับสนุนและแนะนำชิ้นส่วนของอุปกรณ์อัตโนมัติ

ในโครงสร้างอาคารแบริ่งสามารถใช้ในการเชื่อมต่อส่วนประกอบโครงสร้างที่แตกต่างกัน

ในกระบวนการผลิตอาหารและเครื่องดื่มจำเป็นต้องใช้ปั๊มเพื่อขนส่งของเหลวและคอมเพรสเซอร์ใช้ในการบีบอัด...

แบริ่งใช้ในเครื่องยนต์เครื่องบินและยานอวกาศเพื่อรองรับส่วนประกอบที่หมุนได้เช่นกังหันพัดลมและเพลา ...

ข้อมูลข่าวสาร

เรียนรู้เพิ่มเติม

2026-02-26

อะไรคือความแตกต่างที่สำคัญระหว่างเกรดความแม่นยำ P6 และ ...
ในโลกที่มีความแม่นยำสูงของการตัดเฉือนด้วยคอมพิวเตอร์ควบคุมเชิงตัวเลข (CNC) ประสิทธิภาพของ ลูกปืน6000 เป็นพื้นฐานในการบรรลุความแม่นยำในระดับซับไมครอน ในฐานะที่เป็นม้าทำงานของ ตลับลูกปืนเม...

2026-02-19

การวิเคราะห์ทางเทคนิค: อะไรคือความแตกต่างหลักระหว่างตลั...
ในด้านวิศวกรรมความเที่ยงตรงสูง การเลือกใช้วัสดุให้ถูกต้อง ตลับลูกปืนเม็ดกลมร่องลึกสแตนเลส คือการตัดสินใจที่กำหนดอายุการใช้งานและความปลอดภัยของเครื่องจักรทั้งหมด ตั้งแต่ปี 2542 บริ...

2026-02-12

ตลับลูกปืนเม็ดกลมสแตนเลส 6200 จำเป็นสำหรับสภาพแวดล้อมอุ...
ในด้านวิศวกรรมการเคลื่อนที่แบบหมุน ซีรีส์ 6200 เป็นหนึ่งในตลับลูกปืนเม็ดกลมร่องลึกที่ใช้กันอย่างแพร่หลายมากที่สุด เนื่องจากมีความสามารถรอบตัวและความสามารถในการรับน้ำหนักในแนวรัศมีที่เหมาะสมที่สุด อ...

ติดต่อเรา

SUBMIT

การให้คำปรึกษาด้านเทคนิค

  • บริษัท Shanghai Yinin Bearing and Transmission

    โซลูชันที่ปรับแต่งได้

  • บริษัท Shanghai Yinin Bearing and Transmission

    การวิจัยและพัฒนาอย่างต่อเนื่อง

  • บริษัท Shanghai Yinin Bearing and Transmission

    การควบคุมคุณภาพ

  • บริษัท Shanghai Yinin Bearing and Transmission

    การสนับสนุนด้านเทคนิคและการฝึกอบรม

  • บริษัท Shanghai Yinin Bearing and Transmission

    การตอบสนองที่รวดเร็ว

หากคุณมีข้อแนะนำหรือข้อเสนอแนะทางเทคนิคใดๆ เราจะตอบกลับคุณอย่างมืออาชีพโดยเร็วที่สุด!

ติดต่อเรา