33200 ซีรีส์ แบริ่งลูกกลิ้งเรียว
33200 ซีรีส์ แบริ่งลูกกลิ้งเรียว
33200 ซีรีส์ แบริ่งลูกกลิ้งเรียว

33200 ซีรีส์

ซีรีส์ 33200 แบริ่งลูกกลิ้งเรียว เป็นประเภทแบริ่งที่ใช้กันทั่วไปในการใช้งานหนักและมีความแม่นยำสูง แบริ่งชนิดนี้ประกอบด้วยวงแหวนด้านในแหวนด้านนอกลูกกลิ้งและกรงและมีความสามารถในการรับน้ำหนักที่ดีเยี่ยมและความต้านทานการสึกหรอ การออกแบบช่วยให้แบริ่งทนต่อการโหลดรัศมีและแกนตามแนวแกนระหว่างการทำงานและเหมาะสำหรับใช้ในรถยนต์เครื่องจักรวิศวกรรมรถไฟและสาขาอื่น ๆ ลูกกลิ้งเรียวของซีรี่ส์ 33200 ให้พื้นที่สัมผัสที่ใหญ่ขึ้นซึ่งจะช่วยเพิ่มความสามารถในการรับน้ำหนักและความเสถียรในการปฏิบัติงาน ตลับลูกปืนชุดนี้มักจะทำจากเหล็กโลหะผสมคุณภาพสูงและมีความต้านทานความร้อนที่ยอดเยี่ยมและความต้านทานการกัดกร่อนทำให้มั่นใจได้ถึงความน่าเชื่อถือในสภาพแวดล้อมการทำงานที่รุนแรง นอกจากนี้การออกแบบที่เป็นมาตรฐานของแบริ่งซีรีย์ 33200 ช่วยให้การทดแทนและการบำรุงรักษาลดและลดค่าใช้จ่ายการใช้งาน

ส่งคำถาม

แบริ่งลูกกลิ้งแบบเรียว 33200 ซีรีส์ - โหลดสูง, ชีวิตที่ยาวนาน, โซลูชั่นอุตสาหกรรมที่แม่นยำ

ที่ แบริ่งลูกกลิ้งเรียว 33200 ซีรีส์ เป็นแบริ่งกลิ้งความแม่นยำสูงที่เหมาะสมสำหรับการใช้งานอุตสาหกรรมและเครื่องจักรกลที่หลากหลาย การออกแบบของมันรวมความสามารถในการโหลดรัศมีและแกนเพื่อทนต่อการโหลดสูงและบรรลุการทำงานที่ราบรื่น แบริ่งชุดนี้ใช้กันอย่างแพร่หลายในยานยนต์อุปกรณ์อุตสาหกรรมการบินและอวกาศพลังงานและสาขาอื่น ๆ

1. ความสามารถในการโหลดซุปเปอร์
การออกแบบลูกกลิ้งและซี่โครงที่ดีที่สุดช่วยเพิ่มความสม่ำเสมอของการกระจายโหลดและเพิ่มความสามารถในการโหลดแบบไดนามิก 20% เมื่อเทียบกับตลับลูกปืนมาตรฐาน
เหมาะสำหรับสภาพแวดล้อมที่มีแรงกระแทกและการสั่นสะเทือน (เช่นเครื่องจักรทำเหมืองรถบรรทุกหนัก)

2. ขยายอายุการใช้งาน
กระบวนการบำบัดความร้อนพิเศษ (เทคโนโลยีคาร์บอนิตริด) ช่วยเพิ่มความแข็งของพื้นผิว (HRC 60) และเพิ่มอายุการใช้งานความเหนื่อยล้า 30%
ตัวเลือกการเคลือบที่กันสนิม (เช่นการชุบฟอสเฟตหรือสังกะสี) เหมาะสำหรับสภาพแวดล้อมที่ชื้นหรือกัดกร่อน

3. การดำเนินงานที่แม่นยำและการใช้พลังงานต่ำ
ความแม่นยำระดับ ISO P5 (P4 เสริม) ช่วยลดการสูญเสียแรงเสียดทานและช่วยให้อุปกรณ์ประหยัดพลังงานได้มากถึง 15%
การออกแบบล่วงหน้าที่ปรับได้เพื่อให้ตรงตามข้อกำหนดการส่งสัญญาณที่มีความแม่นยำสูง (เช่นแกนเครื่องมือเครื่องจักร)

4. การปรับตัวแบบมัลติฟังก์ชั่น
ให้ขนาดของจักรวรรดิและตัวชี้วัด (เช่น 33205, 33206, 33212 ฯลฯ ) เข้ากันได้กับแบรนด์กระแสหลักและโมเดลที่ใช้แทนกันได้
สนับสนุนการปรับแต่ง (ซีลจาระบีวัสดุ)

พื้นที่แอปพลิเคชัน
อุตสาหกรรมยานยนต์: ใช้สำหรับส่วนต่างยานยนต์กล่องเกียร์มอเตอร์ ฯลฯ
เครื่องจักรอุตสาหกรรม: เช่นเครื่องมือเครื่องจักรสายพานลำเลียงปั๊มพัดลม ฯลฯ
อุปกรณ์พลังงาน: เช่นเครื่องกำเนิดไฟฟ้า, กังหัน, คอมเพรสเซอร์ ฯลฯ
การบินและอวกาศ: ใช้สำหรับส่วนประกอบสำคัญเช่นเครื่องยนต์เครื่องบินและเกียร์ลงจอด
เครื่องใช้ในครัวเรือน: เช่นเครื่องซักผ้าตู้เย็นเครื่องปรับอากาศ ฯลฯ

พารามิเตอร์ผลิตภัณฑ์

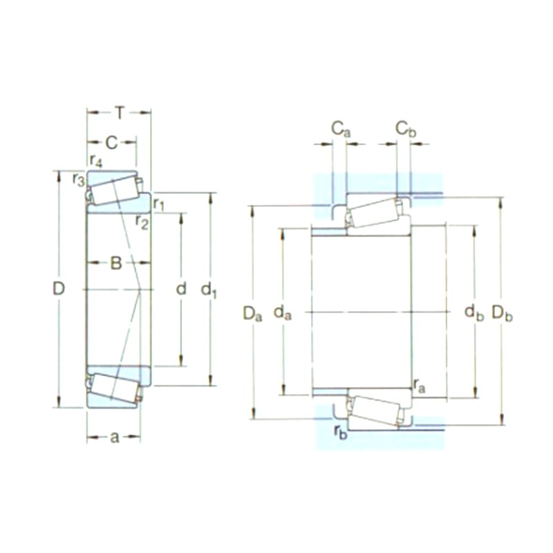
การกำหนด ขนาดหลัก (มม.) การจัดอันดับโหลดขั้นพื้นฐาน (kn) PU การจัดอันดับความเร็ว (รอบต่อนาที) น้ำหนัก (กิโลกรัม) iso335 ขนาด (มม.) ตัวค้ำและขนาดเนื้อ (มม.) ค่า
d1 D dyc (cr) STC (COR) การจัดอันดับความเร็ว ความเร็ว จำกัด ขนาด (AขMA) d D1 ~ B C R1,2 (นาที) R3,4 (นาที) อัน DA (สูงสุด) DB (ขั้นต่ำ) DA (นาที) DA (สูงสุด) DB (ขั้นต่ำ) CA (นาที) CB (นาที) RA (สูงสุด) RB (สูงสุด) อี y ยอ
33205/Q 25 52 22 54 56 6 10000 13000 0,23 2de 25 38,6 22 18 1 1 14 30 31 43 46 49 4 4 1 1 0,35 1,7 0,9
33206/Q 30 62 25 75 76,5 8,5 8500 11000 0,37 2de 30 45,8 25 19,5 1 1 16 36 36 53 56 59 5 5,5 1 1 0,35 1,7 0,9
33208/qcl7c 40 80 32 120 132 15 6300 8500 0,77 2de 40 59,7 32 25 1,5 1,5 21 47 47 67 73 76 5 7 1,5 1,5 0,35 1,7 0,9
33209/Q 45 85 32 108 143 16,3 5300 7500 0,82 3DE 45 65,2 32 25 1,5 1,5 22 52 52 72 78 81 5 7 1,5 1,5 0,4 1,5 0,8
33210/Q 50 90 32 114 160 18,3 5000 7000 0,90 3DE 50 70,7 32 24,5 1,5 1,5 23 57 57 77 83 87 5 7,5 1,5 1,5 0,4 1,5 0,8
33211/Q 55 100 35 138 190 21,6 4500 6300 1,20 3DE 55 77,6 35 27 2 1,5 25 63 64 85 93 96 6 8 2 1,5 0,4 1,5 0,8
33212/Q 60 110 38 168 236 26,5 4000 6000 1,60 3ee 60 85,3 38 29 2 1,5 27 69 68 93 103 105 6 9 2 1,5 0,4 1,5 0,8
33213/Q 65 120 41 194 270 30,5 3800 5300 2,05 3ee 65 92,1 41 32 2 1,5 29 75 74 102 113 115 6 9 2 1,5 0,4 1,5 0,8
33213TN9/Q 65 120 41 194 270 30,5 3800 5300 2,05 3ee 65 92,1 41 32 2 1,5 29 75 74 102 113 115 6 9 2 1,5 0,4 1,5 0,8
33214/Q 70 125 41 201 285 32,5 3600 5000 2,10 3ee 70 97,2 41 32 2 1,5 30 79 78 107 115 120 6 9 2 1,5 0,4 1,5 0,8
33215/Q 75 130 41 209 300 34 3400 4800 2,25 3ee 75 102 41 31 2 1,5 32 84 84 111 122 125 6 10 2 1,5 0,43 1,4 0,8
33216/Q 80 140 46 251 375 41,5 3200 4500 2,90 3ee 80 110 46 35 2,5 2 35 89 90 119 130 135 7 11 2 2 0,43 1,4 0,8
33217/Q 85 150 49 286 430 48 3000 4300 3,70 3ee 85 117 49 37 2,5 2 37 96 95 128 140 144 7 12 2 2 0,43 1,4 0,8
33219 95 170 58 374 560 62 2600 3800 5,50 3FE 95 132 58 44 3 2,5 42 107 107 144 158 163 9 14 2,5 2 0,40 1,5 0,8
33220 100 180 63 429 655 71 2400 3600 6,95 3FE 100 139 63 48 3 2,5 43 112 112 151 168 172 10 15 2,5 2 0,4 1,5 0,8
30332J2 160 340 75 913 1180 114 1500 2000 29,0 2GB 160 233 68 58 5 4 61 201 180 290 323 310 9 17 4 3 0,35 1,7 0,9

เกี่ยวกับ Yinin

บริษัท Shanghai Yinin Bearing and Transmission ก่อตั้งขึ้นในปี 2552 โดยมีประสบการณ์ด้านตลับลูกปืนมากกว่า 20 ปี เราคือ ผู้ผลิตในประเทศจีน 33200 ซีรีส์ แบริ่งลูกกลิ้งเรียว nan และให้บริการ การปรับแต่ง 33200 ซีรีส์ แบริ่งลูกกลิ้งเรียว โรงงาน. ตั้งแต่ปี 2542 เราได้ทำหน้าที่เป็นตัวแทนผู้ผลิตตลับลูกปืนในจีนและส่งออกตลับลูกปืนต่างๆ ปัจจุบัน เราได้พัฒนาเป็นกลุ่มตลับลูกปืนที่ครอบคลุมซึ่งรวมการขายและการผลิตเข้าด้วยกัน

การใช้งานในอุตสาหกรรม

แบริ่งยังมีบทบาทสำคัญมากในเครื่องจักรการเกษตร พวกเขาใช้เพื่อสนับสนุนชิ้นส่วนที่หมุนลดแรงเสียดทานป...

แบริ่งถูกนำมาใช้กันอย่างแพร่หลายในรถยนต์ พวกเขาเป็นกุญแจสำคัญในการสนับสนุนและการหมุนของชิ้นส่วนที...

ใช้สำหรับการสนับสนุน, ความสูง, มุม, ข้อต่อและชิ้นส่วนที่หมุนของอุปกรณ์การแพทย์

ใช้สำหรับการสนับสนุนการหมุนมอเตอร์และส่วนคอมเพรสเซอร์ของเครื่องใช้ในครัวเรือน

ใช้สำหรับการหมุนและการเคลื่อนไหวของการสนับสนุนและแนะนำชิ้นส่วนของอุปกรณ์อัตโนมัติ

ในโครงสร้างอาคารแบริ่งสามารถใช้ในการเชื่อมต่อส่วนประกอบโครงสร้างที่แตกต่างกัน

ในกระบวนการผลิตอาหารและเครื่องดื่มจำเป็นต้องใช้ปั๊มเพื่อขนส่งของเหลวและคอมเพรสเซอร์ใช้ในการบีบอัด...

แบริ่งใช้ในเครื่องยนต์เครื่องบินและยานอวกาศเพื่อรองรับส่วนประกอบที่หมุนได้เช่นกังหันพัดลมและเพลา ...

ข้อมูลข่าวสาร

เรียนรู้เพิ่มเติม

2026-02-26

อะไรคือความแตกต่างที่สำคัญระหว่างเกรดความแม่นยำ P6 และ ...
ในโลกที่มีความแม่นยำสูงของการตัดเฉือนด้วยคอมพิวเตอร์ควบคุมเชิงตัวเลข (CNC) ประสิทธิภาพของ ลูกปืน6000 เป็นพื้นฐานในการบรรลุความแม่นยำในระดับซับไมครอน ในฐานะที่เป็นม้าทำงานของ ตลับลูกปืนเม...

2026-02-19

การวิเคราะห์ทางเทคนิค: อะไรคือความแตกต่างหลักระหว่างตลั...
ในด้านวิศวกรรมความเที่ยงตรงสูง การเลือกใช้วัสดุให้ถูกต้อง ตลับลูกปืนเม็ดกลมร่องลึกสแตนเลส คือการตัดสินใจที่กำหนดอายุการใช้งานและความปลอดภัยของเครื่องจักรทั้งหมด ตั้งแต่ปี 2542 บริ...

2026-02-12

ตลับลูกปืนเม็ดกลมสแตนเลส 6200 จำเป็นสำหรับสภาพแวดล้อมอุ...
ในด้านวิศวกรรมการเคลื่อนที่แบบหมุน ซีรีส์ 6200 เป็นหนึ่งในตลับลูกปืนเม็ดกลมร่องลึกที่ใช้กันอย่างแพร่หลายมากที่สุด เนื่องจากมีความสามารถรอบตัวและความสามารถในการรับน้ำหนักในแนวรัศมีที่เหมาะสมที่สุด อ...

ติดต่อเรา

SUBMIT

การให้คำปรึกษาด้านเทคนิค

  • บริษัท Shanghai Yinin Bearing and Transmission

    โซลูชันที่ปรับแต่งได้

  • บริษัท Shanghai Yinin Bearing and Transmission

    การวิจัยและพัฒนาอย่างต่อเนื่อง

  • บริษัท Shanghai Yinin Bearing and Transmission

    การควบคุมคุณภาพ

  • บริษัท Shanghai Yinin Bearing and Transmission

    การสนับสนุนด้านเทคนิคและการฝึกอบรม

  • บริษัท Shanghai Yinin Bearing and Transmission

    การตอบสนองที่รวดเร็ว

หากคุณมีข้อแนะนำหรือข้อเสนอแนะทางเทคนิคใดๆ เราจะตอบกลับคุณอย่างมืออาชีพโดยเร็วที่สุด!

ติดต่อเรา