51400 ซีรีส์ แบริ่งลูกแทง
51400 ซีรีส์ แบริ่งลูกแทง
51400 ซีรีส์ แบริ่งลูกแทง

51400 ซีรีส์

แบริ่งลูกแทง 51400 ซีรี่ส์เป็นแบริ่งที่ออกแบบมาเป็นพิเศษเพื่อทนต่อแรงของแรงขับ พวกเขามักจะประกอบด้วยวงแหวนสองวง (ภายในและภายนอก) และชุดลูกที่ให้การสนับสนุนการกลิ้งระหว่างวงแหวนด้านในและด้านนอก แบริ่งชุดนี้มีความสามารถในการรับน้ำหนักที่ดีเยี่ยมและความต้านทานการสึกหรอและเหมาะสำหรับการใช้งานที่มีน้ำหนักมากและความเร็วต่ำ 51400 ซีรีส์แบริ่งลูกบอลแรงขับมีการใช้กันอย่างแพร่หลายในรถยนต์การผลิตเครื่องจักรการบินและอุตสาหกรรมอื่น ๆ และสามารถลดแรงเสียดทานได้อย่างมีประสิทธิภาพและปรับปรุงประสิทธิภาพการทำงานของอุปกรณ์ นอกจากนี้แบริ่งชนิดนี้ค่อนข้างง่ายต่อการติดตั้งและบำรุงรักษาสามารถรักษาประสิทธิภาพที่ดีในอุณหภูมิสูงและสภาพแวดล้อมที่มีฤทธิ์กัดกร่อนและเป็นส่วนประกอบที่ขาดไม่ได้ในอุปกรณ์เครื่องจักรกลหลายประเภท โดยการเลือกโมเดลและข้อกำหนดที่เหมาะสมผู้ใช้สามารถตอบสนองความต้องการของแอปพลิเคชันที่แตกต่างกันและสร้างความมั่นใจในความเสถียรและความน่าเชื่อถือของอุปกรณ์

ส่งคำถาม

พารามิเตอร์ผลิตภัณฑ์

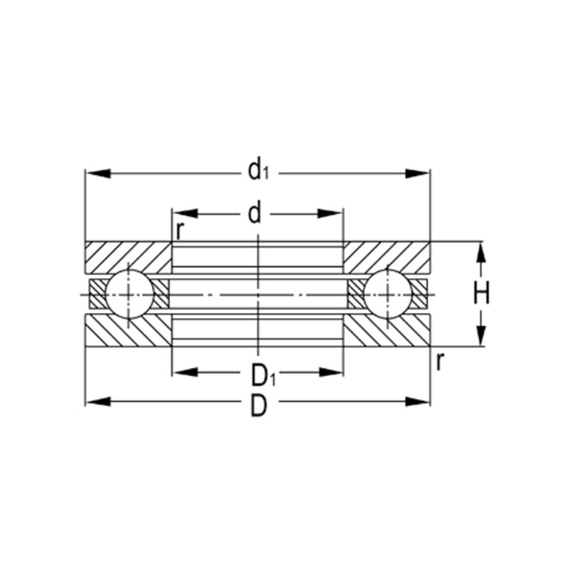
การกำหนด ขนาดหลัก (มม.) การจัดอันดับโหลดพื้นฐาน (kn) ความเร็ว จำกัด (รอบต่อนาที) น้ำหนัก
d d T ไดนามิก (CR) คงที่ (COR) ไขมัน น้ำมัน (กก.)
51405 25 60 24 55.5 89.2 2200 3400 0.31
51406 30 70 28 72.5 125 1900 3000 0.51
51407 35 80 32 86.8 155 1700 2600 0.76
51408 40 90 36 112 205 1500 2200 1.06
51409 45 100 39 140 262 1400 2000 1.41
51410 50 110 43 160 302 1300 1900 1.86
51411 55 120 48 182 355 1100 1700 2.51
51412 60 130 51 200 395 1000 1600 3.08
51413 65 140 56 215 448 900 1400 3.91
51414 70 150 60 255 560 850 1300 4.85
51415 75 160 65 268 615 800 1200 6.08
51416 80 170 68 292 692 750 1100 7.12
51417 85 180 72 318 782 700 1000 8.28

เกี่ยวกับ Yinin

บริษัท Shanghai Yinin Bearing and Transmission ก่อตั้งขึ้นในปี 2552 โดยมีประสบการณ์ด้านตลับลูกปืนมากกว่า 20 ปี เราคือ ผู้ผลิตในประเทศจีน 51400 ซีรีส์ แบริ่งลูกแทง nan และให้บริการ การปรับแต่ง 51400 ซีรีส์ แบริ่งลูกแทง โรงงาน. ตั้งแต่ปี 2542 เราได้ทำหน้าที่เป็นตัวแทนผู้ผลิตตลับลูกปืนในจีนและส่งออกตลับลูกปืนต่างๆ ปัจจุบัน เราได้พัฒนาเป็นกลุ่มตลับลูกปืนที่ครอบคลุมซึ่งรวมการขายและการผลิตเข้าด้วยกัน

การใช้งานในอุตสาหกรรม

แบริ่งยังมีบทบาทสำคัญมากในเครื่องจักรการเกษตร พวกเขาใช้เพื่อสนับสนุนชิ้นส่วนที่หมุนลดแรงเสียดทานป...

แบริ่งถูกนำมาใช้กันอย่างแพร่หลายในรถยนต์ พวกเขาเป็นกุญแจสำคัญในการสนับสนุนและการหมุนของชิ้นส่วนที...

ใช้สำหรับการสนับสนุน, ความสูง, มุม, ข้อต่อและชิ้นส่วนที่หมุนของอุปกรณ์การแพทย์

ใช้สำหรับการสนับสนุนการหมุนมอเตอร์และส่วนคอมเพรสเซอร์ของเครื่องใช้ในครัวเรือน

ใช้สำหรับการหมุนและการเคลื่อนไหวของการสนับสนุนและแนะนำชิ้นส่วนของอุปกรณ์อัตโนมัติ

ในโครงสร้างอาคารแบริ่งสามารถใช้ในการเชื่อมต่อส่วนประกอบโครงสร้างที่แตกต่างกัน

ในกระบวนการผลิตอาหารและเครื่องดื่มจำเป็นต้องใช้ปั๊มเพื่อขนส่งของเหลวและคอมเพรสเซอร์ใช้ในการบีบอัด...

แบริ่งใช้ในเครื่องยนต์เครื่องบินและยานอวกาศเพื่อรองรับส่วนประกอบที่หมุนได้เช่นกังหันพัดลมและเพลา ...

ข้อมูลข่าวสาร

เรียนรู้เพิ่มเติม

2026-02-26

อะไรคือความแตกต่างที่สำคัญระหว่างเกรดความแม่นยำ P6 และ ...
ในโลกที่มีความแม่นยำสูงของการตัดเฉือนด้วยคอมพิวเตอร์ควบคุมเชิงตัวเลข (CNC) ประสิทธิภาพของ ลูกปืน6000 เป็นพื้นฐานในการบรรลุความแม่นยำในระดับซับไมครอน ในฐานะที่เป็นม้าทำงานของ ตลับลูกปืนเม...

2026-02-19

การวิเคราะห์ทางเทคนิค: อะไรคือความแตกต่างหลักระหว่างตลั...
ในด้านวิศวกรรมความเที่ยงตรงสูง การเลือกใช้วัสดุให้ถูกต้อง ตลับลูกปืนเม็ดกลมร่องลึกสแตนเลส คือการตัดสินใจที่กำหนดอายุการใช้งานและความปลอดภัยของเครื่องจักรทั้งหมด ตั้งแต่ปี 2542 บริ...

2026-02-12

ตลับลูกปืนเม็ดกลมสแตนเลส 6200 จำเป็นสำหรับสภาพแวดล้อมอุ...
ในด้านวิศวกรรมการเคลื่อนที่แบบหมุน ซีรีส์ 6200 เป็นหนึ่งในตลับลูกปืนเม็ดกลมร่องลึกที่ใช้กันอย่างแพร่หลายมากที่สุด เนื่องจากมีความสามารถรอบตัวและความสามารถในการรับน้ำหนักในแนวรัศมีที่เหมาะสมที่สุด อ...

ติดต่อเรา

SUBMIT

การให้คำปรึกษาด้านเทคนิค

  • บริษัท Shanghai Yinin Bearing and Transmission

    โซลูชันที่ปรับแต่งได้

  • บริษัท Shanghai Yinin Bearing and Transmission

    การวิจัยและพัฒนาอย่างต่อเนื่อง

  • บริษัท Shanghai Yinin Bearing and Transmission

    การควบคุมคุณภาพ

  • บริษัท Shanghai Yinin Bearing and Transmission

    การสนับสนุนด้านเทคนิคและการฝึกอบรม

  • บริษัท Shanghai Yinin Bearing and Transmission

    การตอบสนองที่รวดเร็ว

หากคุณมีข้อแนะนำหรือข้อเสนอแนะทางเทคนิคใดๆ เราจะตอบกลับคุณอย่างมืออาชีพโดยเร็วที่สุด!

ติดต่อเรา