ซีรี่ส์ SG แบริ่งลูกกลิ้งแทร็ก
ซีรี่ส์ SG แบริ่งลูกกลิ้งแทร็ก
ซีรี่ส์ SG แบริ่งลูกกลิ้งแทร็ก

ซีรี่ส์ SG

SG Series Orbital Roller Bearing เป็นผลิตภัณฑ์แบริ่งประสิทธิภาพสูงที่ออกแบบมาเป็นพิเศษสำหรับระบบติดตามและแนวทาง พวกเขาใช้กระบวนการผลิตขั้นสูงและวัสดุที่มีคุณภาพสูงเพื่อให้แน่ใจว่ามีความเสถียรและความทนทานในสภาวะที่รุนแรง ตลับลูกปืนนี้มีความสามารถในการรับน้ำหนักและความต้านทานการสึกหรอที่ยอดเยี่ยมและเหมาะสำหรับการใช้งานหนักและความเร็วสูงเช่นทางรถไฟเครื่องจักรก่อสร้างและอุปกรณ์ถ่ายทอด คุณสมบัติการออกแบบของซีรี่ส์ SG รวมถึงองค์ประกอบการหมุนที่ดีที่สุดและรูปร่างวงแหวนด้านในและด้านนอกเพื่อลดแรงเสียดทานและปรับปรุงประสิทธิภาพ นอกจากนี้แบริ่งเหล่านี้ยังทำงานได้ดีในแง่ของการปิดผนึกและการต่อต้านฝุ่นละอองซึ่งยืดอายุการใช้งานได้อย่างมีประสิทธิภาพ ไม่ว่าจะในสภาพแวดล้อมที่รุนแรงหรือสภาพการทำงานที่ซับซ้อนแบริ่งลูกกลิ้งวงโคจรของ SG ซีรีส์สามารถให้ประสิทธิภาพที่เชื่อถือได้และให้แน่ใจว่าการทำงานที่ปลอดภัยของอุปกรณ์

ส่งคำถาม

แบริ่งลูกกลิ้งแทร็กซีรีส์ SG-โซลูชั่นอุตสาหกรรมที่มีชีวิตสูงและมีอายุการใช้งานยาวนาน

SG Series Track Roller Bearings เป็นตลับลูกปืนลูกกลิ้งหนักที่ออกแบบมาสำหรับสภาพแวดล้อมอุตสาหกรรมที่รุนแรงเหมาะสำหรับการรับแรงกระแทกสูงการทำงานอย่างต่อเนื่องและสภาวะอุณหภูมิที่รุนแรง ทำจากกระบวนการผลิตเหล็กคุณภาพสูงและความแม่นยำสูงพวกเขามั่นใจได้ว่าแรงเสียดทานต่ำความแข็งแกร่งสูงและอายุการใช้งานยาวนานเป็นพิเศษทำให้พวกเขาเหมาะสำหรับเครื่องจักรก่อสร้างอุปกรณ์ระบบอัตโนมัติและระบบรถไฟ

ความทนทานที่ยอดเยี่ยม
ทำจากเหล็กกล้าสูญญากาศ (SUJ2) ด้วยความแข็งของ HRC 60-64 ความต้านทานการสึกหรอจะเพิ่มขึ้น 50%
การรักษาพื้นผิวฟอสเฟตประสิทธิภาพการกันสนิมตรงตามมาตรฐาน ISO ซึ่งเหมาะสำหรับสภาพแวดล้อมที่รุนแรงเช่นความชื้นและฝุ่น

ความสามารถในการโหลดสูง
การจัดอันดับโหลดแบบไดนามิก (C) ถึง XX KN, โหลดแบบคงที่ (C0) ถึง XX KN (เติมตามข้อมูลจริง) รองรับแรงแบบเรเดียลและแกนรวมกัน
การออกแบบวงแหวนรอบนอกเสริมความแข็งแกร่งความต้านทานต่อแรงกระแทกดีกว่าผลิตภัณฑ์ที่คล้ายกัน 30%

การออกแบบการบำรุงรักษาต่ำ
โครงสร้างซีลก่อนหล่อลื่น (ซีล LLB เสริมหรือฝาครอบฝุ่นโลหะ), จาระบีอายุการใช้งานสูงถึง 10,000 ชั่วโมง
การออกแบบแบบแยกส่วนรองรับการทดแทนอย่างรวดเร็วและลดเวลาหยุดทำงาน

การทำงานที่แม่นยำ
เกรดความอดทนสูงถึง ISO P6 ค่าการสั่นสะเทือนในการดำเนินงานต่ำกว่ามาตรฐานอุตสาหกรรมซึ่งเหมาะสำหรับระบบรถไฟคู่มือที่มีความแม่นยำสูง

ทำไมต้องเลือกซีรี่ส์ SG ของเรา?
บริการที่กำหนดเอง: รองรับขนาดที่ไม่ได้มาตรฐานการเคลือบพิเศษ (เช่นการชุบนิกเกิล) และการปรับแต่งน้ำมันหล่อลื่น
การตรวจสอบทั่วโลก: ผลิตภัณฑ์ถูกส่งออกไปยัง 30 ประเทศ

สถานการณ์แอปพลิเคชัน
เครื่องจักรอุตสาหกรรม: เครื่องจักรการพิมพ์, เครื่องจักรการผลิตกระดาษ, เครื่องจักรอัตโนมัติ, เครื่องจักรสิ่งทอ, เครื่องจำหน่าย, เครื่องจักรงานไม้, เครื่องจักรบรรจุภัณฑ์, เครื่องจักรบรรจุภัณฑ์
อุปกรณ์อิเล็กทรอนิกส์: แขนหุ่นยนต์, อุปกรณ์วัด, แพลตฟอร์ม X-Y, อุปกรณ์การแพทย์, อุปกรณ์อัตโนมัติจากโรงงาน
เครื่องจักรโรตารี่: เครื่องปฏิกรณ์รักษาความร้อนโลหะระบบเบรก ฯลฯ
อุตสาหกรรมการบินและอวกาศ: เบรกพนังเครื่องบินเบรกที่นั่งขีปนาวุธอุปกรณ์สนามบิน ฯลฯ
อื่น ๆ : ออกอากาศเบรกเสาอากาศ, การควบคุมประตูและหน้าต่าง, การควบคุมเตียงทางการแพทย์, สิ่งอำนวยความสะดวกที่จอดรถ, ประตูเครื่องจักร, ระบบห้องปฏิบัติการอัตโนมัติ ฯลฯ

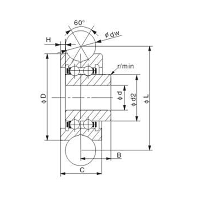
พารามิเตอร์ผลิตภัณฑ์

พิมพ์ ขนาด (มม.) โหลด (kn) น้ำหนัก
dW d D C l D2 ชม CW วัว (กก.)
SG15 6 5 17 8 5.75 20.46 8.6 1 1.27 0.82 8
SG15-10 10 5 17 8 5.75 25.5 8.6 1 1.27 0.82 9
SG20 8 6 24 11 7.25 28.62 11.1 1.2 3.4 1.7 25
SG25 10 8 30 14 8.5 35.77 13 1.5 3.67 2.28 49
SG35 12 12 42 19 12.5 48.93 18 1.5 8.5 5.1 136
SG15N 6 5 17 8 5.75 20.46 8.6 0.5 1.27 0.82 8
SG20N 8 6 24 11 7.25 28.62 11.1 0.7 3.4 1.7 25
SG25N 10 8 30 14 8.5 35.77 13 1 3.67 2.28 49
SG35N 12 12 42 19 12.5 48.93 18 1 8.5 5.1 136

เกี่ยวกับ Yinin

บริษัท Shanghai Yinin Bearing and Transmission ก่อตั้งขึ้นในปี 2552 โดยมีประสบการณ์ด้านตลับลูกปืนมากกว่า 20 ปี เราคือ ผู้ผลิตในประเทศจีน ซีรี่ส์ SG แบริ่งลูกกลิ้งแทร็ก nan และให้บริการ การปรับแต่ง ซีรี่ส์ SG แบริ่งลูกกลิ้งแทร็ก โรงงาน. ตั้งแต่ปี 2542 เราได้ทำหน้าที่เป็นตัวแทนผู้ผลิตตลับลูกปืนในจีนและส่งออกตลับลูกปืนต่างๆ ปัจจุบัน เราได้พัฒนาเป็นกลุ่มตลับลูกปืนที่ครอบคลุมซึ่งรวมการขายและการผลิตเข้าด้วยกัน

การใช้งานในอุตสาหกรรม

แบริ่งยังมีบทบาทสำคัญมากในเครื่องจักรการเกษตร พวกเขาใช้เพื่อสนับสนุนชิ้นส่วนที่หมุนลดแรงเสียดทานป...

แบริ่งถูกนำมาใช้กันอย่างแพร่หลายในรถยนต์ พวกเขาเป็นกุญแจสำคัญในการสนับสนุนและการหมุนของชิ้นส่วนที...

ใช้สำหรับการสนับสนุน, ความสูง, มุม, ข้อต่อและชิ้นส่วนที่หมุนของอุปกรณ์การแพทย์

ใช้สำหรับการสนับสนุนการหมุนมอเตอร์และส่วนคอมเพรสเซอร์ของเครื่องใช้ในครัวเรือน

ใช้สำหรับการหมุนและการเคลื่อนไหวของการสนับสนุนและแนะนำชิ้นส่วนของอุปกรณ์อัตโนมัติ

ในโครงสร้างอาคารแบริ่งสามารถใช้ในการเชื่อมต่อส่วนประกอบโครงสร้างที่แตกต่างกัน

ในกระบวนการผลิตอาหารและเครื่องดื่มจำเป็นต้องใช้ปั๊มเพื่อขนส่งของเหลวและคอมเพรสเซอร์ใช้ในการบีบอัด...

แบริ่งใช้ในเครื่องยนต์เครื่องบินและยานอวกาศเพื่อรองรับส่วนประกอบที่หมุนได้เช่นกังหันพัดลมและเพลา ...

ข้อมูลข่าวสาร

เรียนรู้เพิ่มเติม

2026-02-26

อะไรคือความแตกต่างที่สำคัญระหว่างเกรดความแม่นยำ P6 และ ...
ในโลกที่มีความแม่นยำสูงของการตัดเฉือนด้วยคอมพิวเตอร์ควบคุมเชิงตัวเลข (CNC) ประสิทธิภาพของ ลูกปืน6000 เป็นพื้นฐานในการบรรลุความแม่นยำในระดับซับไมครอน ในฐานะที่เป็นม้าทำงานของ ตลับลูกปืนเม...

2026-02-19

การวิเคราะห์ทางเทคนิค: อะไรคือความแตกต่างหลักระหว่างตลั...
ในด้านวิศวกรรมความเที่ยงตรงสูง การเลือกใช้วัสดุให้ถูกต้อง ตลับลูกปืนเม็ดกลมร่องลึกสแตนเลส คือการตัดสินใจที่กำหนดอายุการใช้งานและความปลอดภัยของเครื่องจักรทั้งหมด ตั้งแต่ปี 2542 บริ...

2026-02-12

ตลับลูกปืนเม็ดกลมสแตนเลส 6200 จำเป็นสำหรับสภาพแวดล้อมอุ...
ในด้านวิศวกรรมการเคลื่อนที่แบบหมุน ซีรีส์ 6200 เป็นหนึ่งในตลับลูกปืนเม็ดกลมร่องลึกที่ใช้กันอย่างแพร่หลายมากที่สุด เนื่องจากมีความสามารถรอบตัวและความสามารถในการรับน้ำหนักในแนวรัศมีที่เหมาะสมที่สุด อ...

ติดต่อเรา

SUBMIT

การให้คำปรึกษาด้านเทคนิค

  • บริษัท Shanghai Yinin Bearing and Transmission

    โซลูชันที่ปรับแต่งได้

  • บริษัท Shanghai Yinin Bearing and Transmission

    การวิจัยและพัฒนาอย่างต่อเนื่อง

  • บริษัท Shanghai Yinin Bearing and Transmission

    การควบคุมคุณภาพ

  • บริษัท Shanghai Yinin Bearing and Transmission

    การสนับสนุนด้านเทคนิคและการฝึกอบรม

  • บริษัท Shanghai Yinin Bearing and Transmission

    การตอบสนองที่รวดเร็ว

หากคุณมีข้อแนะนำหรือข้อเสนอแนะทางเทคนิคใดๆ เราจะตอบกลับคุณอย่างมืออาชีพโดยเร็วที่สุด!

ติดต่อเรา